时间:2017-03-04 11:56:43
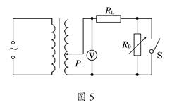
选择题 2008年1月份,我国南方大部分地区遭遇特大雪灾,输电线表面结冰严重,导致线断塔倒.某学校实验兴趣小组设计了利用输电导线自身电阻发热除冰的救灾方案,处理后的电路原理如图5所示,输电线路终端降压变压器用模拟负载R0代替,RL为输电线电阻,并将电阻RL放入冰雪中,在变压器原线圈两端加上交变电流后即出现冰雪融 化的现象.为了研究最好除冰方案,下列模拟实验除给定操作外,其他条件不变,不考虑其可行性,你认为其中最合理的是? 
A.将调压变压器滑动触头P向上移动一些
B.将调压变压器滑动触头P向下移动一些,同时延长通电时间
C.通过计算,选择适当输出电压,并闭合S将模拟负载R0短时短路
D.通过计算,选择适当输出电压,并将模拟负载R0的阻值增大一些
答案及详细解析请点下一页查看。