时间:2017-03-02 10:47:32
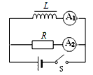
1、选择题 如图所示,带铁芯的电感线圈的电阻与电阻器R的阻值相同,A1和A2是两个完全相同的电流表,则下列说法中正确的是
[? ]
A、闭合S瞬间,电流表A1示数小于A2示数
B、闭合S瞬间,电流表A1示数等于A2示数
C、断开S瞬间,电流表A1示数大于A2示数
D、断开S瞬间,电流表A1示数等于A2示数
参考答案:AD
本题解析:
本题难度:简单
2、选择题 如图所示的电路中,电阻R和自感L的值都很大并相等,A、B是完全相同的灯泡,当电键S,闭合时,下面所述的情况中正确的是( )
A.A比B先亮,然后A、B一样亮
B.B比A先亮,然后A、B一样亮
C.A、B一起亮,而后A熄灭
D.A、B一起亮,而后B熄灭
参考答案:AB、闭合开关的瞬间,由于线圈中自感电动势的阻碍,b灯先亮,a灯后亮.最后一样亮,故A错误,B正确;
CD、闭合开关,待电路稳定后断开开关,线圈L产生自感电动势,ab串联,a、b两灯同时逐渐熄灭.故C错误,D错误.
故选:B.
本题解析:
本题难度:一般
3、选择题 如图4所示电路,电感线圈L的自感系数足够大,其直流电阻忽略不计,LA、LB是两个相同的灯泡,则( )
A.S闭合瞬间.A、B同时亮,然后A逐渐变暗到熄灭,B变得更亮;S断开瞬间,A亮一下才熄灭,B立即熄灭
B.S闭合瞬间,LA很亮,LB逐渐亮;S断开瞬间,LA逐渐熄灭,LB立即熄灭
C.S闭合瞬间,LA、LB同时亮,然后LA熄灭,LB亮度不变;S断开瞬间,LA亮一下才熄灭,LB立即熄灭;
D.S闭合瞬间,LA不亮,LB很亮;S断开瞬间,LA、LB立即熄灭
参考答案:A
本题解析:S闭合瞬间.A、B同时亮,电感线圈的阻碍作用逐渐减小,最后把LA短路,LA熄灭,S断开瞬间,自感线圈产生与原电流相同的自感电流,逆时针流过LA,LA亮一下才熄灭,B立即熄灭,A对;
本题难度:简单
4、选择题 如图所示,A、B是完全相同的两个小灯泡,L为自感系数很大、电阻可以忽略的带铁芯的线圈,则(?)
A.电键S闭合的瞬间,A、B同时发光,随后A灯变暗熄灭,B灯变亮
B.电键S闭合的瞬间,B灯亮,A灯不亮
C.断开电键S的瞬间,A、B灯同时熄灭
D.断开电键S的瞬间,B灯立即熄灭,A灯突然闪亮一下再熄灭
参考答案:AD
本题解析:电键S闭合的瞬间,电流同时流过A和B,所以A、B同时发光,电感线圈对电流的阻碍作用逐渐减小,直至为零,此时灯泡A熄灭,回路电阻减小,灯泡B更亮,A对;断开电键S的瞬间,电感线圈产生与原电流相同的自感电流,流过A,而灯泡B没有电流通过立即熄灭, A闪一下再熄灭
本题难度:简单
5、选择题 如图所示,线圈L的自感系数足够大,直流电阻为零,两灯D1、D2的阻值相同.下列说法中正确的是( )
①K闭合的瞬间,D1和D2?一样亮
②K闭合的瞬间,D1较亮,D2较暗
③电路稳定后,D2发光,D1不亮
④K断开的瞬间,D2立即熄灭,D1亮一下后熄灭.
A.①③④
B.①②④
C.②③
D.②③④
参考答案:当K闭合的瞬间,由于L的自感作用,相当于断路,两灯同时一样亮;
当电流稳定时,由于线圈的直流电阻为零,则D1不亮(被短路),D2发光;
当K断开的瞬间,D2立即熄灭,由于线圈自感相当于电源与D1组成回路使得D1亮一下后才熄灭.
故选:A
本题解析:
本题难度:简单