时间:2017-03-02 10:46:13
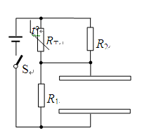
1、选择题 如图所示,电路中RT为热敏电阻,R1和R2为定值电阻。当温度升高时,RT阻值变小。开关S闭合后,RT的温度升高,则下列物理量中变小的是
A.通过RT的电流
B.通过R1的电流
C.通过R2的电流
D.电容器两极板间的电场强度
参考答案:C
本题解析:试题分析:ABC、当温度升高时,
减小,外电路总电阻减小,总电流增加,根据闭合电路欧姆定律可知,内电压增大,外电压减小,
两端电压升高,则
的两端电压减小,流过
的电流减小,流过
的电流增大;AB错误C正确
D、由于
两端电压等于电容器两极板间电压,
两端电压升高,所以电容器两极板间电压增大,由
可知,E增大;错误
故选C
考点:电路动态分析
点评:动态问题分析思路总体来说是按照先部分后整体再部分的顺序,要充分利用电路中不变部分的电阻不变的特点,间接地讨论电路变化部分.还要注意电源是有内阻的
本题难度:困难
2、选择题 法拉第通过精心设计的一系列实验,发现了电磁感应定律,将历史上认为各自独立的学科“电学”与“磁学”联系起来。在下面几个典型的实验设计思想中,所作的推论后来被实验否定的是
[? ]
A.既然磁铁可使近旁的铁块带磁,静电荷可使近旁的导体表面感应出电荷,那么静止导线上的稳恒电流也可在近旁静止的线圈中感应出电流
B.既然磁铁可在近旁运动的导体中感应出电动势,那么稳恒电流也可在近旁运动的线圈中感应出电流
C.既然运动的磁铁可在近旁静止的线圈中感应出电流,那么静止的磁铁也可在近旁运动的导体中感应出电动势
D.既然运动的磁铁可在近旁的导体中感应出电动势,那么运动导线上的稳恒电流也可在近旁的线圈中感应出电流
参考答案:A
本题解析:
本题难度:简单
3、选择题 下列电器中不是利用电流热效应的是
A.电冰箱
B.电水壶
C.电烙铁
D.电熨斗
参考答案:A
本题解析:试题分析:电水壶、电烙铁、电熨斗都是利用电流热效应原理,来烧水、焊接和熨烫衣服.而电冰箱不是利用电流的热效应.故选A,
考点:考查对家用电器基本工作原理的了解、理解程度.
点评:本题属于基本生活常识性问题,比较简单
本题难度:简单
4、实验题 如图所示为“研究电磁感应现象”的实验装置,部分导线已连接。
(1)用笔线代替导线将图中未完成的电路连接好。
(2)如果在闭合电键时发现灵敏电流计的指针向右偏了一下,那么闭合电键后,将原线圈迅速插入副线圈的过程中,电流计指针将向___________偏;原线圈插入副线圈后,将滑动变阻器滑片迅速向右移动时,电流计指针将向___________偏。
参考答案:(1)
(2)右,左
本题解析:
本题难度:一般
5、选择题 电能表上的一度电表示
A.100W·h
B.1000W·h
C.1W·h
D.3600 W·h
参考答案:B
本题解析:试题分析:电度表上的一度电表示耗电量为1kW?h.例如1000瓦x1小时=1千瓦时=1度;又如500瓦x2小时=1千瓦时=1度。
故选B
考点:电功
点评:理解一度电的含义,即一度电表示一千瓦的用电器工作一小时消耗的电能,重点是理解度是电能的单位。
本题难度:简单