时间:2017-03-02 10:27:14
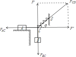
1、简答题 如图所示,放在粗糙水平面上的物块A和悬挂物块B均处于静止状态,绳AC水平,劲度系数为k=300N/m的轻弹簧中轴线?CD与水平方向的夹角α=37°,弹簧伸长量为x=5cm.求:(sin37°=0.6,cos37°=0.8)
(1)物块A受到的摩擦力为多大?
(2)物块B的重力为多大?
参考答案:(1)设弹簧的弹力、绳AC的拉力、绳BC
的拉力分别为FCD、FAC、FBC,
由胡克定律得:FCD=kx?
?解得:FCD=300×0.05=15N?
对C点受力分析并分解如图:
水平方向:FAC=F″=FCDcosα
代入数据得:FAC=15×0.8=12N
又因为A保持静止,所以A受到的摩擦力为:f=FAC=12N
(2)竖直方向:FBC=F′=FCDsinα
代入数据得:FBC=15×0.6=9N
又因为B保持静止,所以B受到的重力为:GB=FBC=9N
答:(1)物块A受到的摩擦力为15N
(2)物块B的重力为9N
本题解析:
本题难度:一般
2、选择题 一均匀的直角三角形木板ABC,可绕垂直于纸面通过C点的水平轴转动,如图所示.现用一始终沿直角边AB作用于A点的力F,使BC边缓慢地由水平位置转至竖直位置.在此过程中,力F的大小随α角变化的图线是图中的( )
A.
B.
C.
D.

参考答案:
设板重心离C点距离为l,BC边长为FlBC,由力矩平衡,可得 ?
? FlBC=Glcos(α+θ),
所以F=GllBCcos(α+θ).根据数学知识得知,D正确.
故选D
本题解析:
本题难度:简单
3、选择题 水平横梁一端插在墙壁里,另一端装小滑轮B,一轻绳的一端C固定于墙壁上,另一端跨过滑轮后悬挂一质量m=20kg的物体,∠CBA=30°,如图所示.则滑轮受到绳子的作用力为(绳与滑轮间的摩擦不计,g=10N/kg)( )
A.100N
B.50
| 3 |
| 3 |

参考答案:对m受力分析可知,物体受重力及绳子的拉力而静止,故绳子的拉力F=mg;
绳子对滑轮的拉力应为两股绳拉力的合力,如图所示,由几何关系可知,绳子对滑轮的作用力为200N;
故选C.
本题解析:
本题难度:一般
4、选择题 一只质量为m的蚂蚁,在半径为R的半球形碗内爬行,在距碗底高R/2的A点停下来,则蚂蚁在A点受到的摩擦力大小为( )
A.
2 |
| 1 2 |
2 |
2 |
参考答案:对蚂蚁受力分析如图所示,支持力与摩擦力的合力与重力大小相等方向相反;
已知其离最低点为R2,由几何关系可知支持力与竖直方向夹角为60°
由几何关系可知,摩擦力f=mgsin60°=
本题解析:
本题难度:简单
5、选择题 如图,重10N的物块放在水平桌面上,现用弹簧测力计水平拉物块,并从零开始逐渐增大拉力F,当弹簧测力计的示数为2.2N时物块开始滑动,为维持物块匀速运动,以后拉力只需2.0N,则( )
A.测力计的示数从0逐渐增大到2.2N的过程中,物块受到桌面的摩擦力大小不变
B.测力计的示数从0逐渐增大到2.2N的过程中,物块受到桌面的摩擦力方向水平向右
C.物块与桌面的最大静摩擦力为2.0N
D.物块与桌面间的动摩擦因数为0.20
参考答案:A、测力计的示数从0逐渐增大到2.2N的过程中,物块保持静止状态,物块受到的静摩擦力与测力计的 拉力平衡,随着拉力的增大而增大.故A错误.
? B、测力计的示数从0逐渐增大到2.2N的过程中,物块有向右运动的趋势,受到桌面的摩擦力方向水平向左.故B错误.
? C、当弹簧测力计的示数为2.2N时物块开始滑动,物块受到静摩擦力刚好达到最大值,所以物块与桌面的最大静摩擦力为2.2N.故C错误.
? D、维持物块匀速运动时拉力是2.0N,则滑动摩擦力为2.0N,物块对地面的压力等于物块的重力10N,则动摩擦因数为μ=fN=210=0.2.故D正确.
故选D
本题解析:
本题难度:一般