时间:2017-03-02 10:21:55
1、选择题 图中理想变压器原、副线圈的匝数之比为2:1,现在原线圈两端加上交变电压
V时,灯泡L1、L2均正常发光,电压表和电流表可视为理想电表.则下列说法中正确的是
A.该交流电的频率为100Hz
B.电压表的示数为155.5V
C.若将变阻器的滑片P向上滑动,则L1将变暗、L2将变亮
D.若将变阻器的滑片P向上滑动,则电流表读数变大
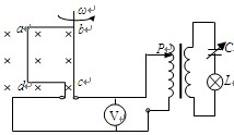
2、选择题 如图所示,矩形线圈abcd与理想变压器原线圈组成闭合电路.线圈在有界匀强磁场中绕垂直于磁场的bc边匀速转动,磁场只分布在bc边的左侧,磁感应强度大小为B,线圈转动的角速度为ω,匝数为N,线圈电阻不计.下列说法正确的是
A.将原线圈抽头P向上滑动时,灯泡变暗
B.电容器的电容C变大时,灯泡变暗
C.线圈处于图示位置时,电压表读数为0
D.若线圈转动的角速度变为2ω,则电压表读数变为原来2倍
3、选择题 如图所示,理想变压器原、副线圈的匝数比n1
4、选择题 自耦变压器铁芯上只绕有一个线圈,原、副线圈都只取该线圈的某部分,一升压式自耦调压变压器的电路如图所示,其副线圈匝数可调.已知变压器线圈总匝数为1900匝;原线圈为1100匝,接在有效值为220V的交流电源上.当变压器输出电压调至最大时,负载R上的功率为2.0kW.设此时原线圈中电流有效值为I1,负载两端电压的有效值为U2,且变压器是理想的,则U2和I1分别约为( )
A.380?V和5.3?A
B.380?V和9.1?A
C.240?V和5.3?A
D.240?V和9.1?A
5、选择题 如图所示,理想变压器原线圈接在电压恒定不变的交变电源上,副线圈接有两个灯泡L1、L2和一个电阻R。开始时,开关S是断开的。现将S闭合,则

[? ]