时间:2017-03-02 10:21:55
1、选择题  在微波炉是人类为解决人类在太空中生活需要加热食品发明的新型炉灶,现在这种炉灶已经走进了寻常百姓家,微波炉中的变压系统中有如图所示的变压器,当原线圈绕组n1上加220V、50HZ的正弦交流电压时,在副线圈绕组n2上产生了3.4V的低压交变电压,在另一副线圈绕组n3上产生2000V的高压交变电压,若微波炉中的变压器可以视为理想变压器,则其原、副线圈绕组中的下列物理量一定相等的是(  )
①交流电的频率;?②交变磁通量的最大值;?③交流电的传播速度;?④交变磁通量的变化量;?⑤交流电的最大值;?⑥交流电的周期;?⑦电功率.
A.①③⑤⑥⑦
B.①②③④⑦
C.①②④⑥⑦
D.②③④⑤⑥
参考答案:根据电磁感应原理可知,由原线圈绕组n1交变电流产生的磁通量变化全部通过变压器的铁芯传给副线圈,理想变压器的原线圈的磁通量的变化率与副线圈中磁通量变化率相同,则电流的频率也相同,交变磁通量的最大值相同,交流电的传播速度相同,交变磁通量的变化量相同,当理想变压器的原副线圈匝数相等时,原副线圈电压相等,则电压的最大值相等,若匝数不等,则最大值不等,理想变压器是理想化模型,一是不计线圈内阻;二是没有出现漏磁现象.所以原副线圈的功率相等.
故选B.
本题解析:
本题难度:简单
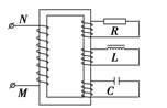
2、选择题   (2011年北京西城区抽样)如图所示,理想变压器的输出端有三组次级线圈,分别接有电阻元件R、电感元件L和电容元件C.若用IR、IL、IC分别表示通过R、L和C的电流,则下列说法中正确的是(  )
A.若M、N接正弦式交流电,则IR≠0、IL≠0、IC=0
B.若M、N接正弦式交流电,则IR≠0、IL≠0、IC≠0
C.若M、N接恒定电流,则IR≠0、IL≠0,IC≠0
D.若M、N接恒定电流,则IR≠0、IL≠0,IC=0
参考答案:B.
本题解析:若初级线圈两端M、N接正弦式交流电,三组次级线圈中都有感应电动势产生,三个线圈中都会有电流,只不过自感线圈中还会产生感应电动势,电容器不断进行充放电,也会有电流产生.
本题难度:一般
3、选择题  一理想变压器原、副线圈匝数比n1∶n2=11∶1,原线圈与正弦交变电源连接,输入电压u随时间t的变化规律如图所示,副线圈仅接入一个R="20" Ω的电阻,则
A.流过电阻R的最大电流是1.0 A
B.变压器的输入功率是40W
C.与电阻R并联的电压表的示数是20 V
D.在1秒内电流方向改变50次
参考答案:C
本题解析:由图象可知,原线圈中电压的最大值为 V,所以电压的有效值为220V,根据电压与匝数成正比可知,副线圈的电压有效值为20V,副线圈的电阻为10Ω,所以电流的为2A,所以A错误;电压表测量的是电压的有效值,所以电压表的读数为20V,所以C正确;原副线圈的功率是相同的,由
V,所以电压的有效值为220V,根据电压与匝数成正比可知,副线圈的电压有效值为20V,副线圈的电阻为10Ω,所以电流的为2A,所以A错误;电压表测量的是电压的有效值,所以电压表的读数为20V,所以C正确;原副线圈的功率是相同的,由 ,所以变压器的输入功率是200W,所以B错误;从图中可以得出交流电的频率为
,所以变压器的输入功率是200W,所以B错误;从图中可以得出交流电的频率为 ,线圈每转动一圈,电流方向改变两次,所以在1s内电流方便改变100次,D错误。
,线圈每转动一圈,电流方向改变两次,所以在1s内电流方便改变100次,D错误。
考点:考查了交流电图像
本题难度:一般
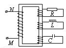
4、选择题  如图所示,理想变压器的输出端有三组次级线圈,分别接有电阻元件R、电感元件L和电容元件C。若用IR、IL、Ic分别表示通过R、L和C的电流,则下列说法中正确的是
A.若M、N接正弦式交流电,则IR≠0、IL≠0、IC=0
B.若M、N接正弦式交流电, 则IR≠0、IL≠0、IC≠0
则IR≠0、IL≠0、IC≠0
C.若M、N接恒定电流,则IR≠0、IL≠0、IC≠0
D.若M、N接恒定电流,则IR≠0、IL≠0、IC=0
参考答案:B
本题解析:接恒定电流时无电流通过,CD错.若M、N接正弦式交流电,由电磁感应现象知,三组次级线圈两端均有变化的电压, 、
、 、
、 中均有电流通过,B正确。
中均有电流通过,B正确。
本题难度:一般
5、选择题  理想变压器原、副线圈匝数比为10:1,以下说法中正确的是 
[? ]
A.穿过原、副线圈每一匝磁通量之比是10:1
B.穿过原、副线圈每一匝磁通量的变化率相等 
C.原、副线圈每一匝产生的电动势瞬时值之比为10:1 
D.正常工作时原、副线圈的输入、输出功率之比为1:1 
参考答案:BD
本题解析:
本题难度:一般