时间:2017-03-02 10:03:12
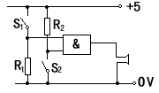
1、选择题 如图所示为一个简单的报警器电路图,下列说法正确的要是
[? ]
A.S1,S2都合上时报警器发声
B.S1断开,S2合上时报警器发声
C.S1,S2都断开时报警器发声
D.S1闭合,S2断开时报警器发声
2、选择题 关于下列甲、乙电路图说法正确的是
A.甲图中滑动变阻器R0属分压接法
B.甲图中电阻R两端的电压能从零开始调节
C.乙图中滑动变阻器R0属限流接法
D.乙图中电阻R两端的电压能从零开始调节
3、选择题 如图所示电路中,滑片P位于滑动变阻器R2正中间,电源内阻不能忽略,两个电压表均为理想电表。当滑动变阻器R2的滑片P滑动时,关于两个电压表V1与V2的示数,下列判断正确的是( )
A.P向a端滑动的过程中,V1的示数逐渐增大、V2的示数逐渐减小
B.P向a端滑动的过程中,R2消耗的功率一定逐渐减小
C.P向b端滑动的过程中,V1示数改变量的绝对值小于V2示数改变量的绝对值
D.P向b端滑动的过程中,V2示数改变量与流过R2的电流改变量的比值保持不变
4、实验题 有一只电流计,已知其满偏电流为Ig=500μA,内阻为Rg=100Ω,现欲改装成量程为6V的电压表,则应该________联________Ω的电阻;由于所用电阻不准,当改装表与标准表比较时,发现当标准值为3V时,改装电压表读数为3.2V,则实际所用的电阻值偏_________(填“大”或“小”)___________Ω。
5、选择题 某同学设计了一个转向灯电路,其中L为指示灯,L1和L2分别为左右转向灯,S为单刀双掷开关,E为电源,内阻不计。当S置于位置1时,以下判断正确的是
A.L的功率小于额定功率
B.L1亮,其功率等于额定功率
C.L2亮,其功率等于额定功率
D.含L支路总功率较另一支路的大