时间:2017-03-01 00:04:24
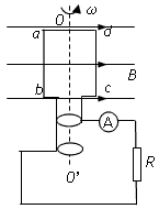
1、选择题 如图所示,边长为L=0.2m的正方形线圈abcd,其匝数为n=10、总电阻为r=2Ω,外电路的电阻为R=8Ω,ab的中点和cd的中点的连线OO′恰好位于匀强磁场的边界线上,磁场的磁感应强度B=1T,若线圈从图示位置开始,以角速度ω=2rad/s绕OO′轴匀速转动,则以下判断中正确的是( )
A.在t=
| π 4 |
| π 4 |
| π 4 |

2、选择题 一个矩形线圈在匀强磁场中转动产生的交流电
V,那么
[? ]
A.交流电的频率是100Hz
B. 交流电的频率是50Hz
C.电压的有效值为220V?
D.电压的有效值为
V
3、选择题 某交变电流表串联一电阻构成交变电压表,总电阻R="2" kΩ,然后将改装的电表接到u=311sin100πt V的交流电源上,则(? ? )
A.通过电流表电流的瞬时值为0.11sin100πt A
B.作为改装的电压表,其两端电压的瞬时值为311sin100πt V
C.电流表的示数为0.11 A
D.作为改装的电压表,其示数应为311 V
4、选择题 如图所示,矩形线圈abcd在匀强磁场中可以分别绕垂直于磁场方向的轴P1和P2以相同的角速度匀速转动,当线圈平面转到与磁场方向平行时(? )
A.线圈绕P1转动时的电流等于绕P2转动时的电流
B.线圈绕P1转动时的电动势小于绕P2转动时的电动势
C.线圈绕P1和P2转动时电流的方向相同,都是a→b→c→d
D.线圈绕P1转动时dc边受到的安培力大于绕P2转动时dc边受到的安培力
5、计算题 如图所示,一矩形线圈在匀强磁场中绕OO"轴匀速转动,磁场方向与转轴垂直,线圈匝数n=40匝,ab边长l1=0.5m,bc边长l2=0.4m,线圈总电阻r=1Ω。线圈转动的角速度ω=100rad/s,磁场的磁感应强度B=0.2T。线圈两端外接R=9Ω的电阻和一个理想交流电流表。求:
(1)从图示位置开始计时,闭合电路中电流随时间变化的函数表达式;
(2)电流表的示数;
(3)电阻R上消耗的电功率。 