时间:2017-02-28 23:53:51
1、选择题  如图所示,线圈与电源、开关相连,直立在水平桌面上。铁芯插在线圈中,质量较小铝环套
在铁芯上。闭合开关的瞬间,铝环向上跳起来。则下列说法中正确的是
A.若保持开关闭合,则铝环不断升高
B.开关闭合后,铝环上升到某一高度后回落
C.若保持开关闭合,则铝环跳起到某一高度停留
D.如果将电源的正、负极对调,则铝环不会向上跳起
参考答案:B
本题解析:闭合开关瞬间,穿过线圈的磁通量增加,线圈中产生感应电流的磁场与原磁场方向相反,根据楞次定律,两者相互排斥,因此,线圈会跳起来,但如果保持开关闭合,穿过线圈的磁通量就会保持不变,线圈中就不会再产生感应电流,由于重力作用,铝环自然会下落,A、C不对,B正确;如果将电源正、负极对调,闭合瞬间,铝环同样产生感应电流,仍会跳起,D不对。
本题难度:简单
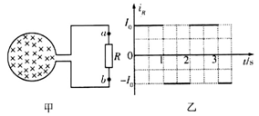
2、选择题  如图甲所示,圆形导线框与电阻R串联,框内有变化的磁场.取由a经R流向b为感应电流
的正方向,测得
随时间t变化的图象如图乙所示.取垂直纸面向里为磁场的正方向,则描述磁感应强度B随时间t变化的图象正确的是

参考答案:B
本题解析:由iR-t图像可知,流过R的电流大小不变,圆形导线框产生的感应电动势不变。根据法拉第电磁感应定律 E=
,磁感应强度均匀变化,AD错误;0-1s内,流过R的电流从a到b,根据楞次定律,穿过圆形导线框的磁通量应垂直纸面向里减小或向外增大,B正确、D错误。
考点:法拉第电磁感应定律
本题难度:一般
3、选择题  如图所示的是一个水平放置的玻璃环形小槽,槽内光滑、槽的宽度和深度处处相同.现将一直径略小于槽宽的带正电的小球放入槽内.让小球获一初速度v0在槽内开始运动,与此同时,在一变化的磁场竖直向下穿过小槽外径所包围的面积,磁感应强度的大小随时间成正比增大,设小球运动过程中带电荷量不变,那么(      )
A.小球在槽内做匀速圆周运动
B.小球需要的向心力大小不变
C.磁场力对小球做功
D.小球受到的洛伦兹力不断增大
参考答案:D
本题解析:由于磁场随时间正比增大,故根据楞次定律可判断出,磁场所激发的电场从上向下看是逆时针方向,由于小球带正电,故电场对小球做正功,小球运动的速度不断增大,A错误;小球需要的向心力也会不断增大,B错误;电场力对小球做正功,磁场对小球不做功,因为洛伦兹力总是与小球的运动方向垂直,C错误;小球受到的洛伦兹力f=Bqv,由于速度在增大,磁场在增大,故洛伦兹力也在不断增大,D正确。
考点:电磁感应,电场力做功,洛伦兹力。
本题难度:一般
4、选择题  如图所示,两根足够长的固定平行金属光滑导轨位于同一水平面,导轨上横放着两根相同的导体棒ab、cd与导轨构成矩形回路。导体棒的两端连接着处于压缩状态的两根轻质弹簧,两棒的中间用细线绑住,它们的电阻均为R,回路上其余部分的电阻不计。在导轨平面内两导轨间有一竖直向下的匀强磁场。开始时,导体棒处于静止状态。剪断细线后,在弹簧首次恢复状态过程中下列说法正确的是 

[? ]
参考答案:C
本题解析:
本题难度:一般
5、简答题  如图所示,宽L=1m、倾角
的光滑平行导轨与电动势E=3.0V、内阻r=0.5
的电池相连接,处在磁感应强度
、方向竖直向上的匀强磁场中。质量m=200g、电阻R=1
的导体ab从静止开始运动。不计期于电阻,且导轨足够长。试计算:
(1)若在导体ab运动t=3s后将开关S合上,这时导体受到的安培力是多大?加速度是多少?
(2)导体ab的收尾速度是多大?
(3)当达到收尾速度时,导体ab的重力功率、安培力功率、电功率以及回路中焦耳热功率和化学功率各是多少?
参考答案:(1)受安培力为:
加速度为:
,即导体做匀减速运动.
(2)收尾速度
(3)导体ab的重力功率、安培力功率和电功率大小相等,即:
回路中焦耳热功率和化学功率分别为:
本题解析:(1)闭合开关前,导体ab在3s末的速度为:
导体ab的感应电动势为:
闭合开关时,导体所受安培力为:
加速度为:
,即导体做匀减速运动.
(2)当a=0时,导体的速度最小,即为收尾速度,有
(3)当导体以收尾速度匀速运动时,导体ab的重力功率、安培力功率和电功率大小相等,即:
同理,还有:
则电路中的电流为:
所以,回路中焦耳热功率和化学功率分别为:
本题难度:一般