时间:2017-02-28 23:52:12
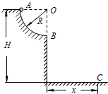
1、简答题 如图所示,位于竖直平面内的1/4圆弧光滑轨道,半径为R,轨道的最低点B的切线沿水平方向,轨道上端A距水平地面高度为H.质量为m的小球(可视为质点)从轨道最上端A点由静止释放,经轨道最下端B点水平飞出,最后落在水平地面上的C点处,若空气阻力可忽略不计,重力加速度为g.求:
(1)小球运动到B点时,轨道对它的支持力多大;?
(2)小球落地点C与B点的水平距离x为多少;?
(3)比值R/H为多少时,小球落地点C与B点水平距离x最远;该水平距离最大值是多少.
参考答案:
(1)小球从A点运动到B点的过程中,机械能守恒,设在B点的速度为vB,根据机械能守恒定律有?mgR=12mvB2
设小球在B点时所受轨道的支持力为FN,对小球在B点根据牛顿第二定律有
FN-mg=mv2BR
联立可解得FN=3mg
(2)小球离开B点后做平抛运动.
沿竖直方向有?H-R=12gt2
沿水平方向有?x=vBt?
联立解得?x=2
本题解析:
本题难度:一般
2、选择题 如图所示,甲、乙两球位于同一竖直线上的不同位置,甲比乙高.将甲、乙两球分别以V1、V2的速度沿同一水平方向抛出,不计空气阻力,下列说法中正确的是( )
A.甲一定能击中乙
B.只要两球距地面足够高,两球就一定能相遇
C.只要轨迹能相交,两球就一定能相遇
D.要使甲能击中乙既与抛出先后有关,又与初速大小有关
参考答案:由图可知甲的抛出点高于乙的抛出点,故甲应先抛出;而两物体的水平位移相同,而运动时间甲的要长,故甲的速度要小于乙的速度.故D正确,A、B、C错误.
故选D.
本题解析:
本题难度:简单
3、填空题 一物体被水平抛出后1s,2s,3s内通过的水平距离之比为______,竖直下降的距离之比为______.
参考答案:平抛运动在水平方向上做匀速直线运动,有x=v0t,所以抛出后1s,2s,3s内通过的水平距离之比为1:2:3.
平抛运动在竖直方向做自由落体运动,有h=12gt2,所以抛出后1s,2s,3s内下降的距离之比为1:4:9.
故本题答案为:1:2:3,1:4:9.
本题解析:
本题难度:一般
4、选择题 水平抛出的小球,t秒末的速度方向与水平方向的夹角为θ1,t+t0秒末速度方向与水平方向的夹角为θ2,忽略空气阻力,则小球初速度的大小为
[? ]
A.gt0(cosθ1-cosθ2)
B.
C.gt0(tanθ1-tanθ2)
D.
参考答案:D
本题解析:
本题难度:简单
5、计算题 长L=1.4m,高h=1.25m,质量M=30kg的木箱,在水平地面上滑行,木箱与地面间的动摩擦因数
。当木箱的速度
1.2m/s时,把一质量为
=20kg的铁块轻轻地放在木箱顶的前端(铁块视为质点),铁块与木箱间动摩擦因数
,问
(1)铁块在木箱上怎样运动?
(2)铁块会从木箱的哪一端滑下来?铁块的落地点距木箱的滑落端的水平距离是多少?(g=10m/s2)
参考答案:(1) 铁块在木箱向右做匀加速直线运动,
m/s2
(2) 对木箱:受到铁块和地面对它的摩擦力均水平向左,木箱向右做匀减速直线运动
由牛顿第二定律:


木箱的加速度
铁块会从木箱的左端滑落,设经过时间t1铁块从木箱上滑下来
解得:t1=2s
此时,铁块的速度,
0.4m/s
木箱的速度,
m/s
铁块从木箱的左端滑落,做向右的平抛运动,设落地的时间为t2
根据平抛知识,
?
铁块滑落后,木箱做向右的匀减速直线运动,加速度
m/s2
木箱在时间t2内的位移大小
则,铁块落地点距木箱的水平位移大小
=0.0875m
本题解析:略
本题难度:简单