时间:2022-12-15 06:30:17
1、选择题 下列关于电源电动势的说法中正确的是( ? )
A.电源电动势的大小,等于电源没有接入电路时电源两极间的电压的大小
B.闭合电路中,并联在电源两端的电压表的示数就是电源电动势的值
C.电源提供的电能越多,电源的电动势越大
D.电源的电动势反映了电源将电能转化为其它形式的能的本领
2、实验题 测量电源的电动势E及内阻r(E约为4.5 V,r约为1.5 Ω).器材:量程3V的理想电压表V,量程0.5 A的电流表A(具有一定内阻),定值电阻R=4 Ω,滑动变阻器R",开关S,导线若干。
(1)画出实验电路原理图,图中各元件需用题目中给出的符号或字母标出。
(2)实验中,当电流表读数为I1时,电压表读数为U1;当电流表读数为I2时,电压表读数为U2。则可以求出E=__________,r=__________(用I1,I2,U1,U2及R表示)。
3、计算题 如图所示,A为位于一定高度处的质量为m=1×10-5 kg带电荷量为q=+1×10-6 C的微粒,B为位于水平地面上的质量为M的用特殊材料制成的长方形空心盒子,盒子与地面间的动摩擦因数为μ=0.2,盒内存在着竖直向上的匀强电场,场强大小E=1×103 N/C,盒外存在着竖直向下的匀强电场,场强大小也为E=1×103 N/C,盒的上表面开有一系列略大于微粒的小孔,孔间距满足一定的关系,使得微粒进出盒子的过程中始终不与盒子接触。当微粒A以1 m/s的速度从孔1进入盒子的瞬间,盒子B恰以v1=0.4 m/s的速度向右滑行。设盒子足够长,取重力加速度g为10m/s2,不计微粒的重力,微粒恰能顺次从各个小孔进出盒子。试求:
(1)从微粒第一次进入盒子至盒子停止运动的过程中,盒子通过的总路程;
(2)微粒A从第一次进入盒子到第二次进入盒子所经历的时问;
(3)盒子上至少要开多少个小孔,才能保证微粒始终不与盒子接触。
4、选择题 一个质量为m,带电量为+q的小球自由下落一段时间后,进入一个水平向右的匀强电场,场强大小为E=
| mg q |




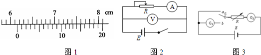
5、简答题 (1)用游标为20个小等分刻度的游标卡尺测量一工件的宽度,得到如图1所示中的游标卡尺的读数,图中游标卡尺的读数为______cm.
(2)为测定一节干电池的电动势和内阻,用如图2所示电路.除干电池、开关、导线外可供使用的实验器材还有:
A.电流表(量程0.6A?3A)
B.电压表(量程3V?15V)
C.滑动变阻器(阻值范围0~10Ω?额定电流2A)
D.滑动变阻器(阻值范围0~200Ω?额定电流1A)
请你完成下面的选择:电流表量程选______,电压表量程选______,滑动变阻器选______.(填器材前面的字母代号)
(3)某实验小组为测量一只微安表G1的内阻,采用了以下的方法:
实验器材:一只待测的微安表G1;一只标准电流表或量程较大(或与待测表相同)的标准微安表G2;一节干电池;0~9999Ω的电阻箱一只;单刀双掷开关一只;导线若干.
实验步骤一:将开关S断开,按图3所示连接电路.
实验步骤二:使开关掷向b端,此时电路中通过微安表G1的电流较小,调节电阻箱R使微安表G1的示数接近满偏,记下此时电阻箱R的阻值R1和标准微安表G2的读数I.
实验步骤三:将开关掷向a端,并调节电阻箱R使标准微安表G2示数维持电流I不变,记下此时电阻箱R的阻值R2.
由以上步骤可以测得微安表G1的内阻为Rg=______.
请指出该同学在实验中的疏漏:______.