时间:2022-12-15 06:27:57
1、选择题 一盏电灯直接接在电压恒定的电源上时,其功率为100W。如果将这盏灯先接上两段很长的导线,再接在这个电源上,这时导线上的损耗的电功率为9W,那么此时电灯实际消耗的电功率?(?)
A.等于91W
B.小于91W
C.大于91W
D.仍为100W
2、计算题 如图所示电路,电源内阻r=1Ω,R1=2Ω,R2=5Ω,灯L标有“3V,1.5W”,滑线变阻器最大值为R,当滑片P滑到最右端A时,电流表读数为1A,此
时灯L恰好正常发光,试求:
小题1:当滑片P滑到最左端B时,电流表读数。
小题2:当滑片P位于滑线变阻器的中点时,变阻器上消耗的功率。
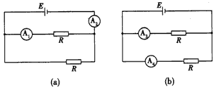
3、选择题 如图所示的两种电路中,电源相同,各电阻阻值相等,各电流表的内阻相等且不可忽略不计,电流表A1、A2、A3和A4读出的电流值分别为I1、I2、I3和I4。下列关系中正确的是
[? ]
A.I1=I3
B.I1<I4
C.I2=2I1
D.I2<I3+I4
4、选择题 如图所示的电路中,闭合开关
,灯
、
正常发光.由于电路出现故障,突然发现灯
变亮,灯
变暗,电流表的示数变小,根据分析,发生的故障可能是(? )
A.
断路
B.
断路
C.
短路
D.
短路
5、选择题 两只电压表V1和V2是由完全相同的两个表头改装成的,电压表V1的量程是5V,电压表V2的量程是15V,把它们串联起来接人电路中,则下列说法中正确的是
A.它们的示数相等,指针偏转角度也相等
B.它们的示数之比为l:3,指针偏转角度相等
C.它们的示数相等,指针偏转角度之比为1:3
D.它们的示数之比、指针偏转角度之比均为1:3