时间:2022-12-15 06:23:18
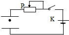
1、选择题 如图所示,当K闭合后,一带电微粒在平行板电容器间处于静止状态,下列说法正确的是( ? )
A.保持K闭合,使P滑动片向左滑动,微粒仍静止
B.打开K后,使两板错开一定距离,微粒仍静止
C.打开K后,使两极板靠近,则微粒将向上运动
D.打开K后,使两极板靠近,则微粒仍保持静止
参考答案:AD
本题解析:
本题难度:简单
2、选择题 如图所示电路中,电源电动势为E、内阻为r,A、B为电容器的两块极板,两板间有一带电油滴恰能静止.把R1的滑动片向右滑动时,下列说法中正确的是( )
A.电流表读数减小,油滴向下运动
B.电流表读数减小,油滴向上运动
C.电流表读数增大,油滴向下运动
D.电流表读数增大,油滴向上运动
参考答案:当R1的滑动片向右滑动时,R1增大,外电路总电阻增大,根据闭合电路欧姆定律得知,干路电流减小,则知电流表读数减小.干路电流减小,电源的内电压减小,路端电压增大,则电容器板间电压增大,板间电场强度增大,油滴所受的电场力增大,则油滴向上运动.故B正确.
故选B
本题解析:
本题难度:一般
3、选择题 如图所示,描述对给定的电容器充电时电量Q、电压U、电容C之间相互关系的图像,其中正确的有 ( )
参考答案:BCD
本题解析:电容为电容器本身的性质,与带电量和电压均无关,A错;BD对;由Q=CU可知C恒定不变,Q与U成正比,C对;故选BCD
考点:考查电容
点评:难度较小,明确电容是电容器本身的性质,不会随着带电量Q和电压U的变化而变化
本题难度:一般
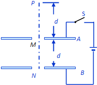
4、选择题 如图所示,A、B为平行金属板,两板相距d,分别与电源两极相连,两板的中央各有一个小孔M、N.开关S先闭合,今有一带电粒子自A板上方相距为d的P点由静止自由下落,空气阻力不计,到达N孔时速度恰好为零,然后沿原路返回.(P、M、N在同一竖直线上,且忽略极板的边缘效应),则( )
A.如果开关S保持闭合,把A板向上平移一小段距离,质点自P点自由下落仍能沿原路返回
B.如果开关S保持闭合,把A板向下平移一小段距离,质点自P点自由下落后将穿过N孔继续下落
C.如果开关S断开,把B板向上平移一小段距离,质点自P点自由下落仍能沿原路返回
D.如果开关S断开,把B板向下平移一小段距离,质点自P点自由下落后将穿过N孔继续下落
参考答案:AB、保持S闭合,把A板向上或向下平移一小段距离,知AB两端的电势差不变,整个过程中重力做功不变,电场力做功不变,根据动能定理知,质点还是到达B点速度为零然后返回.故A正确、B错误.
C、断开S,电量不变,将B板上移,d减小,根据C=?S4πkd知,电容增大,则U=QC,知U减小,根据动能定理,运动到N重力做功大于电场力做功,N点速度不为零,将穿过N孔.故C错误.
D、断开S,电量不变,将B板下移,d增大,根据C=?S4πkd知,电容减小,则U=QC,知U增大,根据动能定理,粒子还未到达b点,速度已减为零,然后返回.故D错误.
故选A
本题解析:
本题难度:简单
5、选择题 图为测定压力的电容式传感器,其核心部件是一平行板电容器。将电容器、灵敏电流表(零刻度在中间)和电源串联成闭合电路,当压力F作用于可动膜片电极上时,膜片产生形变,引起电容的变化,导致灵敏电流表指针偏转。在对膜片开始施加恒定压力到膜片稳定后,灵敏电流表指针的偏转情况为(电流从电流表正接线柱流入时指针向右偏)?(?)
A.向右偏到某刻度后回到零刻度
B.向左偏到某刻度后回到零刻度
C.向右偏到某刻度后不动
D.向左偏到某刻度后不动
参考答案:A
本题解析:
试题分析: 当待测压力增大时,电容器板间距离减小,根据电容的决定式C=
,得知,电容C增大。电容板间电压U不变,电容器所带电量为Q=CU,C增大,则Q增大,电容器处于充电状态,而固定板带正电,则电路中形成逆时针方向的充电电流,电流将从电流计正接线柱流人,所以灵敏电流计指针向右偏转,当充电完毕后,指针回到零刻度位置.故A正确,BCD错误.
本题难度:简单