时间:2020-08-16 00:00:47
1、选择题 如图所示,具有圆锥形状的回转器(陀螺),半径为R,绕它的轴在光滑的桌面上以角速度ω快速旋转,同时以速度v向左运动,若回转器的轴一直保持竖直,为使回转器从左侧桌子边缘滑出时不会与桌子边缘发生碰撞,v至少应等于
[? ]
A.
?
B.
C.
?
D.
参考答案:D
本题解析:
本题难度:一般
2、选择题 如图所示,三个小球A、B、C分别在离地面不同高度处,同时以相同的速度向左水平抛出,小球A落到D点,DE=EF=FG,不计空气阻力,每隔相等的时间间隔小球依次碰到地面,则关于三小球( )
A.B、C两球也落在D点
B.B球落在E点,C球落在F点
C.三小球离地面的高度AE:BF:CG=1:3:5
D.三小球离地面的高度AE:BF:CG=1:4:9
参考答案:A、相同的初速度抛出,而A、B、C三个小球的运动的时间之比为1:2:3,可得水平位移之比1:2:3,而DE=EF=FG,所以B、C两球也落在D点,故A正确,B错误;
C、由h=12gt2可得,A、B、C三个小球抛出高度之比为1:4:9,故C错误,D正确.
故选AD
本题解析:
本题难度:一般
3、选择题 如图所示为一水平匀强电场,方向水平向右,图中虚线为 电场中的一条直线,与电场方向的夹角为
,一带正电的点电荷以初速度
沿垂直电场方向从A点射入电场,一段时间后经过B点,此时其速度方向与电场方向的夹角为
,不计重力,则下列表达式正确的是
A.
B.
C.
D.
参考答案:C
本题解析:点电荷在电场中做类平抛运动,初速度方向
,电场线方向
,所以有
,即
;初速度方向
,电场方向
,所以
,联立可得
,故选项C正确.
本题难度:一般
4、简答题 关于做平抛运动的物体,下列说法中正确的是( )
A.t=
| s v0 |
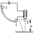
C.任意连续相等时间内,物体下落高度之比为1:2:3 D.任意连续相等时间内,物体运动速度改变量不相等 参考答案:A、根据t= 本题解析: 本题难度:一般 5、填空题 如图所示,在研究平抛运动时,小球A沿轨道滑下,离开轨道末端(末端水平)时撞开接触开关S,被电磁铁吸住的小球B同时自由下落,改变整个装置的高度H做同样的实验,发现位于同一高度的A、B两个小球总是同时落地,该实验现象说明了A球在离开轨道后( ) |

参考答案:球A与球B同时释放,同时落地,时间相同;
A球做平抛运动,B球做自由落体运动;
将球A的运动沿水平方向和竖直方向正交分解,两个分运动同时发生,具有等时性,因而A球的竖直分运动与B球时间相等,改变整个装置的高度H做同样的实验,发现位于同一高度的A、B两个小球总是同时落地,说明在任意时刻在两球同一高度,即A球的竖直分运动与B球完全相同,说明了平抛运动的竖直分运动是自由落体运动;
故选C.
本题解析:
本题难度:简单