时间:2020-08-15 23:45:50
1、选择题 如图,理想变压器原、副线圈的匝数比为10:1,b是原线圈的中心抽头,电压表和电流表均为理想电表,从某时刻开始在原线圈c、d两端加上交变电压,其瞬时值表达式为u1=220
| 2 |
| 1 600 |

参考答案:A、当t=1600s,c、d间的电压瞬时值为u1=220
本题解析:
本题难度:简单
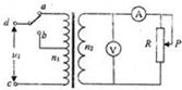
2、选择题 如图所示为一理想变压器,S为一单刀双掷开关,P为滑动变阻器的滑动片,U1为加在原线圈两端的电压,I1为原线圈中的电流。那么?

[? ]
参考答案:AB
本题解析:
本题难度:一般
3、填空题 如图所示,理想变压器的原、副线圈匝数之比为n1:n2=4:1,原线圈回路中的电阻A与副线圈回路中的负载电阻B的阻值相等。a、b端加一交流电压后,两电阻消耗的电功率之比PA:PB=___________,两电阻两端的电压之比UA:UB=____________。
参考答案:1:16,1:4
本题解析:
本题难度:一般
4、选择题 如图甲是线圈绕垂直于磁场的轴在匀强磁场中匀速转动时所产生的正弦交流电图象,把该交流电压加在图乙中变压器的A、B两端,已知理想变压器原线圈I和副线圈Ⅱ的匝数比为5:1,交流电流表和交流电压表均为理想电表,电阻R=1Ω,其它各处电阻不计,以下说法正确的是( )
A.在t=0.1s、0.5s时,穿过线圈的磁通量最大
B.线圈转动的角速度为10πrad/s
C.电压表的示数为
| 2 |
参考答案:A、由图象可知,在t=0.1s、0.5s时,电压最大,此时是磁通量的变化率最大,此时穿过线圈的磁通量为零,所以A错误、
B、根据图象可以知道,交流电的周期是0.4s,由ω=2πT=5πrad/s,所以B错误、
C、电压表读数为副线圈有效值,原线圈的电压的有效值为10V,由电压与匝数成正比可得副线圈的电压有效值为2V,所以电压表的示数为2V,所以C错误.
D、电流表读数:因I2=21=2A 由I1I2=n2n1得 I1=0.40A,所以电流表读数为0.40A,所以D正确.
故选D.
本题解析:
本题难度:一般
5、选择题 利用升压变压器和降压变压器,实现远距离高压输电,如果发电机的输出电压不变,则下列叙述中正确的是( )
A.升压变压器的原线圈中的电流与用户用电设备消耗的功率无关
B.输电线路中的电流只由升压变压器原副线圈的匝数比决定
C.当用户用电器的总电阻减小时,输电线上损失的功率增大
D.升压变压器的输出电压等于降压变压器的输入电压
参考答案:C
本题解析:
本题难度:一般