高考物理知识点总结《匀变速直线运动导出公式应用》高频试题巩固(2020年最新版)(三)

时间:2020-08-15 23:39:13

微信搜索关注"91考试网"公众号,领30元,获取事业编教师公务员等考试资料40G

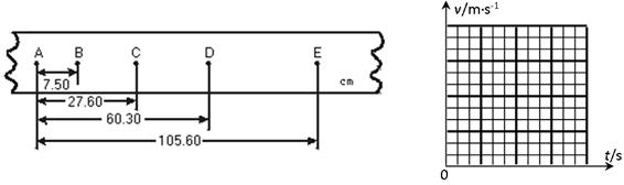
1、填空题  在研究匀变速直线运动的实验中,如图是一条记录小车运动情况的纸带,并在其上取了ABCDE 5个计数点,每相邻两个计数点之间还有4个点图中没有画出,电火花计时器接在220V、50Hz的交流电源.

(1)由纸带上的数据计算vB="______" m/s,vC="______" m/s,vD="______" m/s;
(2)在右图所示坐标中作出小车的v-t图线,并根据图线求出a="______" m/s2.(此题计算结果均保留三位有效数字)


参考答案:(1)1.38,2.64,3.90?(2)12.6,作图略


本题解析:略


本题难度:简单



2、选择题  一物体在某星球表面附近做自由落体运动,连续两个1 s下落的高度依次为12 m、20 m,则该星球表面的重力加速度的值为
[? ]
A.12 m/s2?
B.10 m/s2?
C.8 m/s2
D.16 m/s2


参考答案:C


本题解析:


本题难度:一般



3、选择题  列车进站时做匀减速直线运动,车头经过站台某一位置Q时的速度为7m/s,车尾经过Q时速度为1m/s,则车身的中部经过Q时的速度为( ? )
A.3.5m/s
B.4.0m/s
C.5.0m/s
D.5.5m/s


参考答案:C


本题解析:


本题难度:一般



4、计算题  “10米折返跑”的成绩反应了人体的灵敏素质。测定时,在平直跑道上,受试者以站立式起跑姿势站在起点终点线前,当听到“跑”的口令后,全力跑向正前方10米处的折返线,测试员同时开始计时。受试者到达折返线处时,用手触摸折返线处的物体(如木箱),再转身跑向起点终点线,当胸部到达起点终点线的垂直面时,测试员停表,所用时间即为“10米折返跑”的成绩。设受试者起跑的加速度为4m/s2,运动过程中的最大速度为4m/s,快到达折返线处时需减速到零,加速度的大小为8m/s2,返回时达到最大速度后不需减速,保持最大速度冲线。受试者在加速和减速阶段运动均可视为匀变速直线运动。问该受试者“10米折返跑”的成绩为多少秒?



参考答案:解:对受试者,由起点终点线向折返线运动的过程中
加速阶段:s,m
减速阶段:s,m
匀速阶段:s
由折返线向起点终点线运动的过程中
加速阶段:s,m
匀速阶段:s
受试者10米折返跑的成绩为:s


本题解析:


本题难度:困难



5、选择题  在庆祝中国人民解放军空军成立60周年跳伞表演中,某空降兵从飞机上跳下,先做自由落体运动,在t1时 刻速度达到最大值v1;此时打开降落伞,做减速运动,在t2时刻以较小速度v2着地,他的速度图象如图所示,该空降兵在0-t1和t1-t2时间内的平均速度是

[? ]
A.0-t1时间内,
B.t1-t2时间内,
C.t1-t2时间内,
D.t1-t2时间内,


参考答案:AD


本题解析:


本题难度:一般




首页 上页 2 3 4 下页 尾页 3/10/10
微信搜索关注"91考试网"公众号,领30元,获取公务员事业编教师考试资料40G
【省市县地区导航】【考试题库导航】
 ★ 高考省级导航 ★ 
全国 A安徽 B北京 C重庆 F福建 G广东 广西 甘肃 贵州 H河南 河北 湖南 湖北 黑龙江 海南 J江苏 江西 吉林 L辽宁 N内蒙古 宁夏 Q青海 S山东 山西 陕西 四川 上海 T天津 X新疆 西藏 Y云南 Z浙江
 ★ 高考信息汇总 ★ 
 ★ 高考历年真题 ★ 
 ★ 高考历年真题 ★ 
 ★ 高考题库 ★ 
 ★ 高考题库 ★ 

电脑版  |  手机版  |  返回顶部