时间:2020-08-15 23:30:27
1、计算题 风力发电机其主要部件包括风轮机、齿轮箱、发电机等。
(1)利用总电阻R=10Ω的线路向外输送风力发电机产生的电能。输送功率P0=300kW,输出电压U=10kV,求导线上损失的功率与输送功率的比值;
(2)风轮机叶片旋转所扫过的面积为风力发电机可接受风能的面积。设空气密度为ρ,气流速度为v,风轮机叶片长度为r。求单位时间内流向风轮机的最大风能Pm;
(3)在风速和叶片数确定的情况下,要提高风轮机单位时间接受的风能,简述可采取的措施。
参考答案:解:(1)导线上损失的功率为P=I2R=
=9kW
损失的功率与输送功率的比值
(2)风垂直流向风轮机,提供的风能功率最大.单位时间内垂直流向叶片旋转面积的气体质量为ρvS,S=πr2,风能的最大功率可表示为Pm=
(ρvS)v2=
πρr2v3
(3)采取措施合理,如增加风轮机叶片长度,安装调向装置保持风轮机正面迎风等(只要说出一点均酌情给分)
本题解析:
本题难度:一般
2、选择题 下列电器中不是利用电流热效应的是
A.电冰箱
B.电水壶
C.电烙铁
D.电熨斗
参考答案:A
本题解析:电水壶、电烙铁、电熨斗都是利用电流热效应原理,来烧水、焊接和熨烫衣服.而电冰箱不是利用电流的热效应.故选A,
点评:本题属于基本生活常识性问题,比较简单
本题难度:简单
3、选择题 家用电器即使没有使用,只要插头插在电源上处于待机状态,就会消耗电能.根据下表提供的数据,估算这些电器待机1天耗电约为( )
| 家用电器 | 1台台式电脑 | 1台平板电视机 | 1台空调 | 1台洗衣机 |
| 待机功率(瓦) | 4 | 1 | 4 | 2 |
参考答案:A
本题解析:由题中表格数据知,这些电器待机的总功率为11瓦,1天24小时,所以1天消耗的电能
kw/h,而1度等于1 kw/h,所以A正确。
本题难度:简单
4、计算题 如图所示,一电动机与一电阻R串联接在电源上,电源电动势E=20V,内电阻r=1Ω,用理想电压表测出电动机两端的电压为10V,已知电动机的内阻RM=1Ω,电阻R=9Ω,
试计算
(1)电动机输入功率;(2)电动机输出的机械功率;
(3)电源的总功率
参考答案:(1)10W?(2)9W?(3)20W
本题解析:(1)由欧姆定律得到:
?
电动机输入功率为:? P入=IU=
10W?
(2)电动机的热功率为:
=I2R=
1W?
电动机输出的机械功率为:P出=P入-P势=10-1W=9W?
(3)电源的总功率为: P总=IE=
20W?
点评:本题学生明确电动机中的输入功率,热功率,输出功率的关系。
本题难度:简单
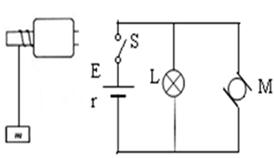
5、计算题 (12分)如图所示,电源电动势E=30V,内阻r=1Ω,电灯L上标有“25V, 25W”的字样,直流电动机M的线圈电阻R=2Ω.闭合电键,若电灯恰能正常发光,求:
(1)电路中的总电流I;
(2)电动机的热功率
;
(3)电动机输出的机械功率
。
参考答案:(1);(2);(3)。
本题解析:(1)由于灯泡正常发光,故其两端电压为UL=25V,
由全电路欧姆定律E=UL+Ur得,Ur=5V,
故内阻上的电压Ur=Ir,所以电路中的总电流I=5A。
(2)电灯的电流IL=
=1A,由于I=IL+IM,
故电动机中通过的电流IM=4A,
电动机的热电功率PR=IM2RM=32W;
(3)电动机的总电功率PM=UMIM=100W,
故电动机输出的机械功率P=PM-PL=68W。
本题难度:一般