时间:2020-08-15 23:22:02
1、简答题 如图所示,斜面足够长,其倾角为α,质量为m的滑块,距挡板P为s0,以初速度v0沿斜面上滑,滑块与斜面间的动摩擦因数为μ,滑块所受摩擦力小于滑块沿斜面方向的重力分力,若滑块每次与挡板相碰均无机械能损失(即速度大小不变方向相反),求滑块在斜面上经过的总路程为多少?
2、计算题 过山车是游乐场中常见的设施,下图是一种过山车的简易模型.它由水平轨道和在竖直平面内的若干个光滑圆形轨道组成,A、B、C…分别是各个圆形轨道的最低点,第一圆轨道的半径R1=2.0m,以后各个圆轨道半径均是前一轨道半径的k倍(k ="0.8)" ,相邻两最低点间的距离为两点所在圆的半径之和.一个质量m=1.0kg的物块(视为质点),从第一圆轨道的左侧沿轨道向右运动,经过A点时的速度大小为v0=12m/s.已知水平轨道与物块间的动摩擦因数
=0.5,水平轨道与圆弧轨道平滑连接. g取10m/s2,lg0.45=-0.347,lg0.8=-0.097.试求:
小题1:物块经过第一轨道最高点时的速度大小;
小题2:物块经过第二轨道最低点B时对轨道的压力大小;
小题3:物块能够通过几个圆轨道?
3、计算题 如图所示,由细管道组成的竖直轨道,其圆形部分半径分别是R和R/2,质量为m的小球通过这段轨道时,在A处刚好对管壁无压力,在B点处对内轨道的压力为mg/2.
求:(1)小球分别通过A、B点的速度
(2)由A运动到B的过程中摩擦力对小球做的功.
4、填空题 如图所示,在竖直放置的平行金属板M、N之间有一带电微粒,自A点以初速度v0竖直向上进入场强为E的匀强电场后,正好垂直打在N板的B点,AC⊥BC,且AC=BC,则打在B点时微粒的速度是______,A、B点的电势差是______.
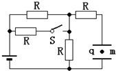
5、简答题 如图所示,四个电阻阻值均为R,电键S闭合时,有一质量为m,带电量为q的小球静止于水平放置的平行板电容器的中点.现打开电键S,这个带电小球便向平行板电容器的一个极板运动,并和此板碰撞,碰撞过程中小球没有机械能损失,只是碰后小球所带电量发生变化,碰后小球带有和该板同种性质的电荷,并恰能运动到另一极板,设两极板间距离为d,不计电源内阻,求:
(1)电源电动势E多大?
(2)小球与极板碰撞后所带的电量为多少?