时间:2020-08-09 23:15:34
1、选择题 某导体中的电流随其两端电压的变化如图所示,则下列说法中正确的是
[? ]
A.加5V电压时,导体的电阻约是5 Ω
B.加11 V电压时,导体的电阻约是1.4 Ω
C.由图可知,随着电压的增大,导体的电阻不断减小
D.由图可知,随着电压的减小,导体的电阻不断减小
参考答案:AD
本题解析:
本题难度:一般
2、选择题 如图9-28所示电路的三根导线中有一根是断的。电源电阻器R1·R2及另外两根导线都是好的。为了查出断导线,某学生想先用万用表的红表笔连接在电源的正极a,再将黑表笔分别连接在电阻器Rl的b端和R2的c端,并观察万用表指针的示数。在下列选挡中,符合操作规程的是:
A.直流10V挡
B.直流0.5A挡
C.直流2.5V挡
D.欧姆挡
参考答案:A
本题解析:设万用表各挡都理想,忽略电源的内阻。选用不同功能档时,应画出电路图,至少在头脑中想清楚。
用电压挡测量时,由于电路断开(无论是从ab间断开,还是从R1与R2之间断开)电路中无电流,黑表笔与电源负极等电势。直流电压挡测量的数值是电源电动势ε=6V。所以A选项可行,C选项不行。
用电流挡测量时,假设ab间导线完好,而R1与R2之间导线断开,
B选项。
被测回路中有电源,欧姆表不能适用,排除D选项。
本题难度:一般
3、选择题 有两个相同的灵敏电流计,允许通过的最大电流(满偏电流)为Ig=1mA,表头电阻
Rg=30Ω,若改装成一个量程为3V的电压表和一个量程为0.6A的电流表应分别:
A.串联一个2990Ω的电阻和并联一个0.15Ω的电阻
B.并联一个2990Ω的电阻和串联一个0.15Ω的电阻
C.串联一个2970Ω的电阻和并联一个0.05Ω的电阻
D.并联一个2970Ω的电阻和串联一个0.05Ω的电阻
参考答案:C
本题解析:把灵敏电流表改装成电压表的方法是串联一个电阻,由串联可知
,改装成大量程的电流表需要并联电阻,由并联分流可知
=0.05Ω,C对;
本题难度:简单
4、选择题 若加在某导体两端的电压变为原来的
时,导体中的电流减小了0.4A.如果所加电压变为原来的2倍,则导体中的电流为( )
A.1.0A
B.1.5A
C.2.0A
D.2.5A
参考答案:C
本题解析:
本题难度:一般
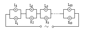
5、选择题 某设备有10个标有“24V、200W”相同的强光灯L1~L10,另有10个标有“220V、2W”相同的指示灯X1~X10,将其连接在220V恒压交流电源上,电路连接如图所示.若工作一段时间后,L2 灯丝烧断,则
A.X2随之烧坏,其它灯都熄灭
B.X2功率减小,其它灯功率增大
C.X2功率增大,其它强光灯功率减小
D.X2功率接近2W,其它指示灯都熄灭
参考答案:CD
本题解析:L2 灯丝烧断使电路中电阻增大电流减小,则其它强光灯功率减小,因为总电压不变,其他部分电压减小,则X2两端电压增大功率增大,因为X2电阻远大于强光灯电阻,根据串联分压关系,可知大部分电压加在X2上,所以X2功率接近2W,其它指示灯都熄灭,CD正确
本题难度:简单