时间:2020-08-09 23:07:12
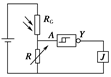
1、填空题 逻辑电路在电子线路中有着重要的应用.某同学利用“非”门电路设计了一个路灯自动控制门电路.天黑了,让路灯自动接通;天亮了,让路灯自动熄灭.右图中RG是一个光敏电阻,当有光线照射时,光敏电阻的阻值会显著减小.R是可调电阻,起分压作用.“非”门电路能将输入的高压信号转变为低压信号,或将低压信号转变为高压信号.J为路灯总开关控制继电器,它在获得高压时才启动(图中未画路灯电路).
(1)当天黑时,RG变________,“非”门电路获得________电压,J得到________电压.(填“大”、“小”或“高”、“低”)
(2)如果路灯开关自动接通时天色还比较亮,现要调节自动控制装置,使得它在天色较黑时才会自动接通开关,应将R调________(填“大”或“小”)一些.
2、选择题 如图所示的电路图一个应用“非”门构成一个简易火警报警电路,则图中X框,Y框中应是( )
A.X为热敏电阻,Y为可变电阻
B.X为热敏电阻,Y为开关
C.X为可变电阻,Y为热敏电阻
D.X、Y为热敏电阻
3、选择题 如图为三个门电路符号,A输入端全为 “1”,B输入端全为“0”。下列判断正确的是( ? )

4、填空题 如图所示是一个简单门电路,A、B为输入端,Z为输出端,其输入输出之间的逻辑关系如表所示.则表中X的数值为______,该逻辑门为______门.
| 输入 | 输出 A B Z 0 0 0 0 1 0 1 0 X 1 1 1 | |

5、填空题 如图是逻辑电路及其两个输入电压的波形图.此逻辑电路为______门电路.在图中画出Y端的输出电压波形图.