时间:2020-08-09 22:59:46
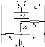
1、简答题 如图所示,电源电动势E=10V,内电阻r=1.0Ω,电阻R1=5.0Ω、R2=8.0Ω、R3=2.0Ω、R4=6.0Ω,R5=4.0Ω,水平放置的平行金属板相距d=2.4cm,原来单刀双掷开关S接b,在两板中心的带电微粒P处于静止状态;现将单刀双掷开关S迅速接到c,带电微粒与金属板相碰后即吸附在金属板上,取g=10m/s2,不计平行板电容器充放电时间,求带电微粒在金属板中的运动时间?
2、选择题 氧化锡传感器主要用于汽车尾气中一氧化碳浓度的检测,它的电阻随一氧化碳浓度的变化而变化。在如左图所示的电路中,不同的一氧化碳浓度对应着传感器的不同电阻,这样显示仪表(电压表)的指针就与CO浓度有了对应关系,观察仪表指针就能判断CO浓度是否超标。有一种氧化锡传感器,其技术资料中给出的是传感器电导(即电阻的倒数)—CO浓度C的关系曲线如右图所示,则电压表示数U0与CO浓度C之间的对应关系应该是
?
3、填空题 如图所示,平行的两金属板M、N与电源相连,一个带负电的小球悬挂在两板间,闭合开关后,悬线偏离竖直方向的角度为θ。若保持开关闭合,将N板向M板靠近,θ角将_____;若把开关断开,再使N板向M板靠近,θ角将______。(填“变大”、“变小”或“不变”?)
4、选择题 如图所示,平行板电容器与电动势为E的直流电源(内阻不计)连接,下极板接地,一带电油滴位于电容器中的P点且恰好处于平衡状态,现将平行板电容器的上极板竖直向上移动一小段距离
[? ]
A.带电油滴将沿竖直方向向上运动
B.P点的电势将降低
C.带电油滴的电势能将减小
D.若电容器的电容减小,则极板带电量将增大
5、选择题 如图,由两块相互靠近的平行金属板组成的平行板电容器的极板N与静电计相接,极板M接地。用静电计测量平行板电容器两极板间的电势差U。在两板相距一定距离d时,给电容器充电,静电计指针张开一定角度。在整个实验过程中,保持电容器所带电量Q不变,下面哪些操作将使静电计指针张角变小(?)
A.将M板向下平移
B.将M板沿水平向左方向远离N板
C.在之间插入云母板(介电常数ε>1)
D.将M、N里外错开一些