时间:2020-08-09 22:27:37
1、选择题 如图所示,边长为L、不可形变的正方形导线框内有半径为r的圆形磁场区域,其磁感应强度B随时间t的变化关系为B=kt(常量k>0).回路中滑动变阻器R的最大阻值为R0,滑动片P位于滑动变阻器中央,定值电阻R1=R0、R2="0.5R" 闭合开关S,电压表的示数为U,不考虑虚线MN右侧导体的感应电动势,则
A.R2两端的电压为U
2、填空题 两根长度相同,横截面积之比S1:S2=2:3的均匀铜导线按下图所示接入电路,则两导线的电阻之比R1:R2=_________。自由电子在两导线中定向移动时所受的电场力之比F1:F2=_________。
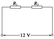
3、选择题 两只定值电阻R1=10 Ω,R2=30 Ω,电压表一个,练习使用电压表测电压,电路连接如图所示,电源输出电压U=12 V不变,先用电压表与R1并联,电压表示数为U1,再用电压表与R2并联,电压表示数为U2,则下列说法正确的是
A.U1一定等于3.0V
B.U2一定小于9.0 V
C.U1与U2之和等于12 V
D.U1与U2之比一定等于
4、选择题 如图所示的电路,水平放置的平行板电容器中有一个带电液滴正好处于静止状态,现将滑动变阻器的滑片P向右移动,则( )
A.电容器的电容不变
B.电容器中的电场强度将减小
C.电容器上的电荷量将减少
D.液滴将向上运动
5、选择题 某导体的U-I图象如图所示,则当电压为10v时,导体的电阻为( ? )
A.1Ω
B.2Ω
C.1000Ω
D.2000Ω