时间:2019-12-13 02:31:53
1、填空题 (4分)如图所示,一个电子做顺时针方向的匀速圆周运动,运动周期为
,若将电子的圆周运动等效为环形电流,则等效电流大小为_____A ,电流方向为__________(填“顺时针”或“逆时针”)方向。
参考答案:
?A;?逆时针
本题解析:根据I=Q/t,则
,方向为逆时针
点评:此类题型考察了基本概念电流的理解
本题难度:简单
2、简答题 如图所示,OA与OCA为置于水平面内的光滑金属导轨,OCA导轨满足曲线方程y=1.0sin(
| π 3 |

参考答案:(1)金属棒滑至C处,有效切割长度最大,金属棒上感应电动势最大,R1和R2上消耗的电功率最大
∴y=1.0sin(π3x)m,令y=0,有OA长度为xA=3m
金属棒滑至C点时
? xC=xA2=1.5m
故yC=1.0sinπ3×1.5=1.0m
电路总电阻R总=R1R2R1+R2=2Ω
感应电动势EC=ByCv
感应电流最大值为 Im=ECR总=ByCvR总=0.5A
通过电阻R1的电流为I1=R2R1+R2Im=13A
R1的最大功率为P1m=I21R1=13W
(2)金属棒匀速通过金属导轨C处时,外力有最大值为
? Fm=BImyC=0.2×0.5×1N=0.1N
(3)∵E=Byv=Bv?1.0sin(π3x),
而x=vt
∴E=1.0sin5π3t(V),
所以感应电动势有效值为E有=Em
本题解析:
本题难度:一般
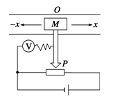
3、选择题 演示位移传感器的工作原理如图所示,物体M在导轨上平移时,带动滑动变阻器的金属滑杆P,通过电压表显示的数据来反映物体位移的大小x.假设电压表是理想电压表,则下列说法正确的是( )
A.物体M运动时,电源内的电流会发生变化
B.物体M运动时,电压表的示数会发生变化
C.物体M不动时,电路中没有电流
D.物体M不动时,电压表有示数
参考答案:BD
本题解析:当M止时,M受力平衡,水平方向不受外力,弹簧弹力为零,划片P不动,电压表示数不变,但划片的运动不会改变电路中电阻的大小,电流始终不变,BD对;
本题难度:简单
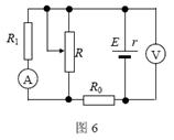
4、选择题 电源的效率定义为外电路电阻消耗的功率与电源的总功率之比。如图6所示的电路,当移动滑动变阻器的滑片时,发现电源的效率有所提高,则
A.伏特表V的示数变大
B.电流表A的示数变大
C.变阻器R接入电路的电阻变大
D.电源的输出功率变大。
参考答案:ABC
本题解析:根据电源效率定义,电源效率可以表示为η=U/E。当移动滑动变阻器的滑片时,发现电源的效率有所提高,则伏特表V的示数变大,电流表A的示数变大,变阻器R接入电路的电阻变大,选项ABC正确。由于题中没有给出电源内阻与外电路电阻的关系,不能判断出电源的输出功率如何变化,选项D错误。
本题难度:一般
5、选择题 如图所示的电学器件中,哪个是滑动变阻器? 
参考答案:B
本题解析:选项A为电流表、选项B为电阻器、选项D为电源,C为电容器,故选B
点评:难度较小,常见的用电器示意图要牢记
本题难度:简单