时间:2019-12-13 02:09:51
1、实验题 (11分)(1)①使用中值电阻是25欧(“×1”挡)的万用表测量两个定值电阻(已知它们的阻值约为R1=15欧和R2=15千欧),在下列的一系列操作中,选出尽可能准确测量,并符合万用表使用规则的各项操作,将它们的序号按合理的顺序填写在横线上的空白处。
_________________ 。
A.转动选择开关使其尖端对准“×1k”挡
B.转动选择开关使其尖端 对准“×100”挡
C.转动选择开关使其尖端对准“×10”挡
D.转动选择开关使其尖端对准“×1”挡
E.转动选择开关使其尖端对准“OFF”挡
F.将两表笔分别接触R1的两端,读出阻值后,随即断开,
G.将两表笔分别接触R2的两端,读出阻值后,随即断开,
H.将两表笔短接,调节调零旋扭,使表针指在刻度线右端的“0”刻度。
②使用多用表的欧姆挡测导体电阻时,如果两手同时分别接触两表笔的金属杆,则造成测量值(?)
A.比真实值大?
B.比真实值小?
C.与真实值相等?
D.可能比真产值大,也可能小
③多用电表指针如下图所示,
A.如果选择开关为“R×10”挡,则所测电阻的阻值?Ω
B.如果选择开关为直流电压250V 挡,则对应读数是?V
C.如果选择开关为直流电流100mA挡,则对应读数是?mA
(2)测量电源B的电动势E及内阻r(E约为4.5 V,r约为1.5Ω).
器材:量程3 V的理想电压表,量程0.5 A的电流表(具有一定内阻),保护电阻R=4Ω,滑动变阻器R′,开关S,导线若干.
①在下面方框内画出实验电路原理图。
②实验中,当电流表读数为I1时,电压表读数为U1;当电流表读数为I2时,电压表读数为U2.则可以求出E=??,r=?。(用I1、I2、U1、U2及R表示)
参考答案:(1)①所选操作的合理顺序是: DHFAHGE?(2分)
②B?(1分)
③130Ω、135V 、54mA?(3分)
(2)①见下图?(1分)
②?(4分)
本题解析:(1)①使用欧姆表时注意每次换挡都需要重新欧姆调零,所以合力顺序为:DHFAHGE,当然也可以先测量R2的阻值,顺序为:AHGDHFE.
②使用多用表的欧姆挡测导体电阻时,如果两手同时分别接触两表笔的金属杆,则造成测量值比真实值偏小。(所测电阻等于多并联一个人体电阻,电阻越并越小)选B。
③三次读数分别为:130 、135 、54
(2)①由于电压表的分流作用,比电流变的分压作用相对来说小些,所以选用电流变外接法,如图:
②根据闭合电路欧姆定律:
可得E=
,r=
本题难度:一般
2、实验题 某物理学习小组的两位同学采用“伏安法”测金属丝的电阻的实验中,根据同一组数据进行正确描点后,甲、乙两位同学根据自己的理解各作出一条图线,如图实-5-23甲、乙所示,根据你对实验的理解,你认为________同学的图线正确,根据你选择的图线算出该金属丝的电阻为________Ω.(保留两位有效数字)
图实-5-23
参考答案:甲 3.8(3.7~3.9均可)
本题解析:当金属丝两端电压为零时,通过的电流也为零,因此图线必过原点,故甲同学的图线正确;在甲同学画的图线上距原点较远的地方取一个点,其坐标值为(0.4 A,1.52 V),故金属丝电阻为:R=
=
?Ω=3.8 Ω.
本题难度:简单
3、简答题 (Ⅰ)环境的污染日趋加重,汽车行业目前开始推行混动版(燃油与电动力搭配)家用汽车,电动力输出以锂离子电池组为核心,它由多个电池单元组成.下面是正在研制的一种新型电池单元,某同学在测定电源电动势和内电阻的实验中,测得多组电压和电流值,得到如图所示的U-I图线.
由图可求出该电源电动势E=______V;内阻r=______Ω.
(Ⅱ)某同学要测量一均匀新材料制成的圆柱体的电阻率ρ.步骤如下:
(1)先用多用电表对电阻大小进行粗测,选用欧姆档的“×10”档位,按正确的操作步骤测此圆柱体的电阻,表盘的示数如图,则该电阻的阻值约为______Ω.
(2)该同学想用伏安法更精确地测量其电阻R,现有的器材及其代号和规格如下:
待测圆柱体电阻R
电流表A1(量程0~3mA,内阻约50Ω)
A2(量程0~30mA,内阻约20Ω)
电压表V1(量程0~3V,内阻约10kΩ)
V2(量程0~15V,内阻约25kΩ)
直流电源E(电动势4V,内阻不计)
滑动变阻器R1(阻值范围0~10Ω,允许通过的最大电流2.0A) 开关S导线若干
据题意,该同学应选择电流表、电压表的代码分别是______;
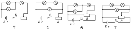
(3)如果既要满足测量要求,又要使测量误差较小,应选择如图所示的四个电路中的______;
(4)若待测电阻的测量长度用l表示,直径用D表示,加在电阻两端的电压用U表示,通过电阻的电流用I表示,则此圆柱体材料的电阻率表达式为ρ=______.
参考答案:Ⅰ、由图示电源U-I图象可知,图象与纵轴交点坐标值是3.6,则电源电动势E=3.6V,
电源内阻r=△U△I=3.63=1.2Ω.
Ⅱ(1)选用欧姆档的“×10”档位,由图示欧姆表可知,其示数为10×10=100Ω;
(2)电源电动势为4N,则电压表选:V1(量程0~3V,内阻约10kΩ);
电路最大电流约为I=UR=3V100Ω=0.03A=30mA,电流表选:A2(量程0~30mA,内阻约20Ω).
(3)待测电阻阻值约为100Ω,滑动变阻器最大阻值为10Ω,为测多组实验数据,滑动变阻器应采用分压接法;电压表内阻约为10kΩ,电流表内阻约为20Ω,待测电阻阻值约为100Ω,相对来说,电压表内阻远大于待测点阻值,因此电流表应采用外接法,应选图丙所示实验电路图.
(4)待测电阻阻值R=UI,电阻R=ρLS=ρLπ(D2)2,则电阻率ρ=πD2U4IL.
故答案为:(Ⅰ)3.6;1.2;(Ⅱ)(1)100;(2)A2;V1;(3)丙;(4)πD2U4IL.
本题解析:
本题难度:一般
4、简答题 在“测绘小灯泡的伏安特性曲线”的实验中,某同学根据测得的数据,画出了如图所示的I-U图象.从图象中可以看出:当小灯泡两端的电压为U1时,通过灯丝的电流为I1,则此时灯丝的电阻为______;小灯泡两端的电压从U1增大到U2的过程中,随着电压的增大,灯丝的电阻______(选填“增大”、“减小”或“不变”)
参考答案:当小灯泡两端的电压为U1时,通过灯丝的电流为I1,则此时灯丝的电阻为R=U1I1;
由于坐标原点与图象上某点连线的斜率倒数等于电阻,
由图象可知,坐标原点与图象上1点连线的斜率大于坐标原点与点2连线的斜率,
因此小灯泡两端的电压从U1增大到U2的过程中,随着电压的增大,灯丝的电阻增大.
故答案为:U1I1;增大.
本题解析:
本题难度:一般
5、选择题 某同学将理想电压表直接与干电池的正、负极相接时,能测出的物理量是(?)
A.电压表的电阻
B.干电池的内电阻
C.干电池的短路电流
D.干电池的电动势
参考答案:D
本题解析:理想电压表的内阻非常大,当其直接与电源的正负极相接时相当于断路,所以当电路断路时路端电压等于电源电动势,D正确。
本题难度:简单