时间:2019-12-13 01:44:20
1、选择题 不定项选择
计算电功率的公式
中,U表示加在用电器两端的电压值,R是用电器的电阻值,则此式可用于( ? )
A.计算电冰箱的功率
B.计算电风扇的功率
C.计算电烙铁的功率
D.计算一切用电器的功率
2、选择题 如图所示,额定电压为110V的两盏电灯,额定功率分别为PA=100W,PB=25W.把它们接到220V的电路上,欲使它们都能正常发光且耗电最少,应采用的接法是( )
A.
B.
C.
D.
3、选择题 一理想变压器原、副线圈匝数比n1:n2=11:5,原线圈与正弦交流电源连接,输入电压的u-t图象如图所示,副线圈接一个10Ω的电阻,则( )
A.流过电阻的电流是0.2A
B.与电阻并联的电压表示数是100
| 2 |

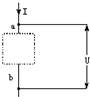
4、选择题 如图中虚线框内是一个未知电路,测得它的两端点a,b之间的电阻是R,在a,b之间加上电压U,测得流过这电路的电流为I,则未知电路的电功率一定是( )
A.I2R
B.U2/R
C.UI
D.I2R+UI
5、填空题 如图所示,输送P=1.0×l05W的电功率,用U=1.0×l04V的电压送电,输电导线的电阻共计R=1.0Ω,则输电导线中的电流I=______A,输电导线上因发热损失的功率△P=______W.