时间:2019-07-11 04:35:42
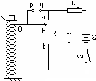
1、简答题 在科技活动中某同学利用自制的电子秤来称量物体的重力,如图所示,为电子秤的原理图.托盘和弹簧的质量均不计,滑动变阻器的滑动端与弹簧上端连接,当托盘中没有放物体时,电压表示数为零;当托盘中的物体的质量改变时,电压表示数发生改变,从而测出物体的质量.设变阻器的总电阻为R,总长度为l,电源电动势为E,内阻为0,弹簧劲度系数为k,弹簧产生的弹力与弹簧压缩量x成正比,即F=k?x.不计一切摩擦和其他阻力,电压表为理想表.
(1)根据上述原理,电压表应接在______两端.
(2)要获得电压表的满量程称重,制作上述“电子秤”时,电源、变阻器R、限流电阻R0、电压表等可从下列器材中选择______(填器材编号).
A、电动势为9V、内阻为0的电池;
B、电动势为3V、内阻为0的电池;
C、阻值为1KΩ定值电阻;
D、阻值为100Ω的定值电阻;
E、最大阻值为50Ω变阻器;
F、最大阻为10Ω的变阻器;
G、量程为0~3V的电压表;
H、量程为0~15伏的电压表.
(3)当托盘上放上某物体时,所放物体的质量m与电压表的示数U的关系是:m=______.
(4)请说明这个电子秤可能存在的不足:______.
参考答案:
(1)由题意,当托盘中没有放物体时,电压表示数为零,此时滑动变阻器的滑动端与弹簧上端连接,故电压表应接在pq间;
(2)电动势为3V的电源,经过分压,电压表的示数最大为1V,偏转角度太小,故应选电动势为9V的电池.
定值电阻1KΩ远大于变阻器的总电阻,变阻器分担的电压很小,电压表的示数很小,故应选用阻值为100Ω的定值电阻.
最大值为10Ω的变阻器,能分担的最大电压为10110×9V≈0.88V,电压表的示数很小,故应选50Ω变阻器.
电压表分担的最大电压为50100+50×9V=3V,故应选量程为0~3V的电压表;故选ADEG
(3)设物体的质量为m时,弹簧的压缩量为x,电压表示数为U.
根据欧姆定律、电阻定律和胡克定律得:
? U=xl?RR+R0E
? mg=kx
联立解得:m=kl(R+R0)ERgU
(4)电池用久了,电动势减小,电压表读数偏小,则测量值偏小.
故答案为:(1)pq;
(2)ADEG;
(3)kl(R+R0)ERgU;
(4)电池用久了,电动势减小,电压表读数偏小,则测量值偏小.
本题解析:
本题难度:一般
2、选择题 用细线将一块玻璃片水平地悬挂在弹簧测力计的下端,并使玻璃片贴在水面上,如图所示,然后用手缓慢提起弹簧测力计,在使玻璃片脱离水面的一瞬间,关于弹簧测力计的示数下列说法中正确的是
[? ]
A.弹簧测力计的示数等于玻璃片的重力
B.弹簧测力计的示数小于玻璃片的重力,因为玻璃片受到水的支持力
C.弹簧测力计的示数小于玻璃片的重力,因为玻璃片受到水的浮力
D.弹簧测力计的示数大于玻璃片的重力,因为玻璃片受到水的浮力
参考答案:D
本题解析:
本题难度:简单
3、实验题 在某次的实验中,用10分度的游标卡尺测得小球的直径如图所示,小球的直径为2.40 cm,则a=?.
参考答案:3
本题解析:根据游标卡尺的读法,此时游标为零,说明0刻度所在位置即为2.40cm,所以a为3cm处
点评:此类题型考察游标卡尺读数,但是跟常见的考察正好相反。
本题难度:简单
4、选择题
如图,正沿平直轨道以速度v匀速行驶的车厢,忽然改以加速度a作匀加速运动,置于车厢前端高h的光滑桌面边缘上的小球落下,小球落到地板上的点到桌子边缘的水平距离为
A.
B.
C.
D.
参考答案:C
本题解析:分析:当车厢以加速度a作匀加速运动,小球将脱离桌面,以速度v做平抛运动.可以分为水平和竖直方向来列方程,同时车厢是加速运动的,车厢在水平方向上也有位移,落点到货架边缘的水平距离是它们水平位移的差.
解答:小球做平抛运动,
在竖直方向上,小球做自由落体运动.
由h=
,可得运动时间t=
.在水平方向上,小球做初速度为v0的匀速运动,同时货架做初速度为v0的匀加速运动,
小球在水平方向的位移是S1=V0t,
货架运动距离是 S2=V0t+
小球的落点到货架边缘的水平距离是
S=S2-S1=V0t+
=
.故C正确,A、B、D错误.
故选C.
点评:本题考查平抛运动规律的应用,同时同学们比较容易忽略的是车厢的运动,由于车厢是加速运动的,车厢在水平方向上也有位移,所以不能单单求小球在水平方向的位移.
本题难度:一般
5、实验题 (9分)某同学设计了一个探究加速度a与物体所受合力 F及质量m关系的实验,图(甲)为实验装置简图.打点计时器每隔0.02s打一个点,纸带上每两个打印点取一个计数点.

(1)图(乙)为某次实验得到的纸带,根据纸带可求出小车的加速度大小为_________m/s2.(保留二位有效数字)
(2)有一位同学通过实验测量作出了图(丙)中的A图线, 另一位同学通过实验测出了如图(丙)中的B图线.试分析
①A图线上部弯曲的原因是_____________________________________________;
②B图线在纵轴上有截距的原因是____________________________________________.
参考答案:(1)3.2(2)①随着钩码质量的不断增加,将不再满足钩码质量远小于小车质量这一要求②平衡摩擦力时,长木板远离滑轮的一端垫得过高,导致形成斜面的倾角过大。
本题解析::解决实验问题首先要掌握该实验原理,了解实验的操作步骤和数据处理以及注意事项.
该实验采用的是控制变量法研究,其中加速度、质量、合力三者的测量很重要.
纸带法实验中,若纸带匀变速直线运动,测得纸带上的点间距,利用匀变速直线运动的两个推论,可计算出打出某点时纸带运动的瞬时速度和加速度.
要直观的反映两个量之间的关系,可以通过作图来解决.
①从b图中看出相邻的计数点时间间隔为0.04s,利用匀变速直线运动的两个推论得出:
②(A)图:设小车的质量为M,砂和砂桶的质量为m,根据牛顿第二定律得:
对m:
对M:
解得:
当m<<M时,即当砝码和小桶的总重力要远小于小车的重力,绳子的拉力近似等于砂和砂桶的总重力.
从图象上可以看出:F从0开始增加,砂和砂桶的质量远小于车的质量,慢慢的砂和砂桶的重力在增加,那么在后面砂和砂桶的质量就没有远小于车的质量呢,那么绳子的拉力与砂和砂桶的总重力就相大呢.所以原因是砂和砂桶的质量没有远小于车的质量.
(B)图:从上d图中发现直线没过原点,当F=0时,a>0.也就是说当绳子上没有拉力时小车还有加速度,说明小车的摩擦力小于重力沿斜面向下的分力.该组同学实验操作中平衡摩擦力过大.
点评:实验问题需要结合物理规律去解决.对于实验我们要清楚每一项操作存在的理由.比如为什么要平衡摩擦力,为什么要先接通电源后释放纸带等.解决实验问题首先要掌握该实验原理,了解实验的操作步骤和数据处理以及注意事项.其中平衡摩擦力的原因以及做法在实验中应当清楚.
本题难度:简单