时间:2019-07-11 04:25:53
1、简答题 完成下列关于“验证机械能守恒定律”实验的有关问题:
(1)在验证机械能守恒定律时,如果以
| v2 2 |
参考答案:(1)物体下落时初速度为零,根据机械能守恒可知:mgh=12mv2,即v22=gh,故若以v22为纵轴,以h为横轴,图线是过原点的直线,其斜率大小等于重力加速度.
故答案为:重力加速度g.
(2)根据逐差法有:a1=s4-s13T2
a2=s5-s23T2
a3=s6-s33T2
a=a1+a2+a33=(s6+s5+s4-s3-s2-s1)9T2
根据匀变速直线运动的规律可知打5号计数点时速度大小为:
v5=s6+s52T
故答案为:(s6+s5+s4-s3-s2-s1)9T2,(s6+s5)2T.
本题解析:
本题难度:一般
2、选择题 在“验证机械能守恒定律”的实验中有关重锤的质量,下列说法中正确的是
A.应选用质量较大的重锤,使重锤和纸带所受的重力远大于它们所受的阻力
B.应选用质量较小的重锤,使重锤的惯性小一些,下落时更接近于自由落体运动
C.不需要称量重锤的质量
D.必须称量重锤的质量,而且要估读到0.01 g
参考答案:AC
本题解析:本实验依据的原理是用重锤自由下落验证机械能守恒定律,因此重锤的质量应取得大一些,以使系统所受的阻力和重锤的重量相比可以忽略不计,以保证系统做自由落体运动.对自由落体来说,物体的机械能守恒,即重力势能的减小等于其动能的增加.设物体质量为m,下落距离h时的速度为v,则有mv2=mgh,约去m后,有v2=2gh,分别计算对应的v2和2gh,即可验证机械能守恒定律是否成立.
思路分析:本实验依据的原理是用重锤自由下落验证机械能守恒定律,因此重锤的质量应取得大一些,以使系统所受的阻力和重锤的重量相比可以忽略不计,以保证系统做自由落体运动.对自由落体来说,物体的机械能守恒,即重力势能的减小等于其动能的增加.
试题点评:本题考查了机械能守恒实验的原理,即重力势能的减小等于其动能的增加.
本题难度:简单
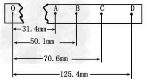
3、实验题 用如图所示的实验装置验证机械能守恒定律,所用的电源为学生电源,输出电压为6V的交流电和直流电两种。重锤从高处由静止开始下落,重锤上拖着的纸带打出一系列的点,对纸带上的点迹进行测量,即可验证机械能守恒定律。如图所示,其中O是起始点,A、B、C、D、E是打点计时器连续打下的5个点,打点计时器所用电源的频率为f=50 Hz。某同学用毫米刻度尺测量O到A、B、C、D、E各点的距离,并记录在图中(单位:cm)。(重力加速度为g )
(1)这五个数据中不符合有效数字读数要求的是____________(填“A”、“B”、“C”、“D”、“E”)点读数。
(2)该同学用重锤在OC段的运动来验证机械能守恒定律,OC段距离用h来表示,他用
计算与C点对应的重锤的瞬时速度,得到动能的增加量,这种做法____________(填“对”或“不对”),如果这种做法不对,则正确的计算公式是vC=____________。(用题中字母表示)?
(3)如O点到某计数点之间的距离用s表示,该点对应的重锤的瞬时速度为v,则实验中要验证的等式为____________。
参考答案:(1)B
(2)不对,

本题解析:
本题难度:一般
4、选择题 下列情况中,运动物体机械能一定守恒的是
A.物体所受的合外力为零
B.物体不受摩擦力
C.物体受到重力和摩擦力
D.物体只受重力
参考答案:D
本题解析:
本题难度:困难
5、简答题 在“验证机械能守恒定律”的一次实验中,质量m=1kg的重物自由下落,在纸带上打出五系列的点,如上图所示(相邻记数点时间间隔为0.02s):(g取9.8m/s2,结果保留二位有效数字)
(1)纸带的______(用字母表示)端与重物相连;
(2)打点计时器打下计数点B时,物体的速度vB=______m/s;
(3)从起点P到打下计数点B的过程中物体的重力势能减少量△EP=______J,此过程中物体动能增加量△Ek=______J;
(4)以h为横轴,v2/2为纵轴画v2/2-h图象为过原点的一条直线,其斜率为______.
(5)一般计算中△Ek小于△EP,原因是重物在下降过程中受到空气阻力和______.
参考答案:(1)物体做加速运动,因此点距越来越大,故纸带的P端与重物相连.
故答案为:P.
(2)中间时刻的瞬时速度等于该过程中的平均速度来求B的速度大小:
vB=xAC2T=0.98m/s
故答案为:0.98.
(3)O到打下计数点B的过程中重力势能减少量是:△EP=mghOB=0.49J;
因此动能的增量为:△EK=12mv2B=0.48J
故答案为:0.49,0.48.
(4)根据mgh=12mv2得:
v22=gh,因此在v22与h的图线为过原点的直线,斜率表示重力加速度的大小,由于物体下落的过程中不可避免的受到阻力作用,因此动能的增加量小于势能的减小量.
故答案为:重力加速度,纸带跟限位孔间的摩擦阻力.
本题解析:
本题难度:一般