时间:2019-07-11 04:05:56
1、选择题 如图所示为两电阻R1和R2的伏安特性曲线。将电阻R1和R2接入如图所示电路中,闭合开关s后,当滑动变阻器触片P向下移动时,则
[? ]
A.电流表示数增大
B.电压表示数增大
C.电源的总功率增大
D.电阻R1上消耗的电功率大于电阻R2上消耗的电功率
2、实验题 某同学在老师讲完电化学知识以后,自己在家做了一个水果电池,该同学查阅相关资料后得知,水果电池与一般干电池的电动势、内阻较为接近,为了测定该电池的电动势和内阻,该同学利用闭合电路欧姆定律U=E-Ir,设计了一个测量该电池的实验。实验原理如下图中的甲、乙所示,应该选择 ,通过调节滑动变阻器得到多组U、I数据,依据U、I数据绘得的图象如图,则电动势为 V,内阻为 Ω

3、选择题 如图所示,电源电动势为E,内阻为r,当滑动变阻器的滑片P处于左端时,三盏灯L1、L2、L3均发光良好.在滑片P从左端逐渐向右端滑动的过程中,下列说法中正确的是( )
A.小灯泡L1、L2变暗
B.小灯泡L3变暗,L1、L2变亮
C.电压表V1、V2示数均变大
D.电压表V1、V2示数之和变大
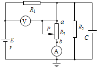
4、选择题 在如图所示的电路中,电源的电动势为E、内阻为r,
、
为理想电流表和电压表.在滑动头P自a端向b端滑动的过程中,下列说法中正确的是( )
5、选择题 在如图所示的电路中,已知电源的电动势E=3.0V,内电阻r=0.5Ω,外电路的电阻R=3.5Ω.闭合开关S后,电路中的电流I为( )
A.6.0A
B.3.0A
C.1.5A
D.0.75A