时间:2019-07-11 04:05:56
1、填空题 某同学设计了一个路灯自动控制门电路,如图所示.天黑了,让路灯自动接通,天亮了,让路灯自动熄灭.图中RG是一个光敏电阻,当有光照射时,光敏电阻的阻值会显著地减小.R是可调电阻,起分压作用.J为路灯总开关控制继电器(图中未画路灯电路).
(1)在图中虚线框内需要接入______门电路;
(2)如果路灯开关自动接通时天色还比较亮,为了让路灯在天色更暗时才自动接通开关,应使电阻R______(选填:“增加”或“减小”).
参考答案:(1)因为白天时,有光照,光敏电阻小,分担的电压小,则输入门电路的电势高,此时路灯不亮,则输出应该为低电势,即输入和输出完全相反.天黑时,光敏电阻大,分担的电压大,则输入门电路的电势低,此时路灯亮,则输出应该为高电势,即输入状态和输出状态完全相反,由此可知门电路为非门.
(2)如图所示,当光照射光敏电阻RG时,其阻值变小,导致分得电压减少.这样非门电路输入端电压变大,从而使其输出端电压变小,由于设白天时继电器两端电压为U1,夜晚为U2.所以U1<U2.当光照变弱时光敏电阻RG的阻值变大,非门电路输入端电压变小,继电器得到的电压变高,路灯被点亮.为了让路灯在天色更暗时才自动接通开关,应使电阻R 增大,使得R的分得电压变大,使非门电路的输入端电压变大,继电器得到的电压遍地,路灯不被点亮.
故答案为:(1)非.(2)增大.
本题解析:
本题难度:简单
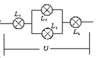
2、选择题 如图所示,有四盏电灯连接在电路中,L1和L2都标有“220V 100W”字样,L3和L4都标有“220V 40W”字样,把电路接通后,最暗的是(?)
A.L1
B.L2
C.L3
D.L4
参考答案:C
本题解析:由题意可判断,R1=R2<R3=R4,且R4>R1>R23.由串联电路的功率分配可知,P4>P1>(P2+P3),而P2与P3的大小 由并联电路的功率分配可知P2>P3,故四盏电灯消耗的实际功率的大小关系为P4>P1>P2>P3,正确的答案为C。
本题难度:一般
3、选择题 如图所示,一平行板电容器C,极板是水平放置的,它和三个可变电阻、一个零刻度在中央的电流计和电源连成电路。现有一个质量为m的带电油滴悬浮在两极板间不动,下列判断正确的是
A.增大R3,油滴上升
B.增大电容器板间距离的过程中,电流计指针不动
C.增大R1,R1中电流的变化值大于R3中电流的变化值
D.增大R1,R1中电压的变化值小于R3中电压的变化值
参考答案:C
本题解析:增大R3,外电路总电阻增大,总电流I减小,平行板电容器C的电压UC=IR并,I减小,UC减小,板间场强减小,油滴所受电场力减小,所以油滴下降.故A错误.在增大电容器板间距离的过程中,电容器的电容减小,而电容器的电压不变,由电容器的电量减小,电容器放电,电流计指针转动.故B错误.增大R1,外电路总电阻增大,总电流I3减小,电阻R3的电压减小,R1、R2并联电压增大,R2中电流I2增大,则R1中电流I1减小,又I3=I1+I2,所以R1中电流的变化值大于R3中电流的变化值.故C正确,D错误.
本题难度:一般
4、选择题 以下有关电源的说法正确的是
A.电源内部存在着由负极指向正极的电场
B.生活中有各式各样的电池充当电源,对同一种电池而言体积越大,电动势越大,内阻也越大
C.铅蓄电池的电动势为2V表示电路中每通过1C电荷量,电源把2J的化学能转变为电能
D.由
可知电源的电动势跟电源内非静电力做的功成正比,跟通过的电量成反比
参考答案:C
本题解析:略
本题难度:简单
5、填空题 光敏电阻是由半导体材料制成的,受到光照射时,其导电性能显著增强;它的灵敏度高,制造工艺简单,广泛应用于自动控制电路中.将其与电磁继电器结合,就可用来自动控制街道路灯的开与关.图中所示是自动控制路灯的工作原理图,我们希望环境光照暗到一定程度时,路灯能点亮.电阻R1、R2之一是光敏电阻,另一只是定值电阻.当放大电路的输入端电压升高到某一值,使经过继电器J的电流增大到受继电器控制的电键S闭合,路灯就被点亮,则:
(1)电阻______(选填:“R1”或“R2”)是光敏电阻;
(2)如果路灯开关自动接通时天色还比较亮,为了让路灯在天色更暗时才自动接通开关,应使定值电阻的阻值______(选填:“增加”或“减小”).
参考答案:(1)由自动控制路灯的工作原理图,当光照暗到一定程度时,路灯能点亮.当放大电路的输入b端电压升高至某一值时,使经过继电器J的电流增大到受继电器J控制的电键S闭合,路灯就点亮.当R1是光敏电阻时,若无光照其阻值变大,从而使a端的电压升高,最终将路灯点亮.
(2)若要降低电路的灵敏度,即当光很弱时路灯才可以点亮.即电阻R2阻值较大时,b端的电压才升高到某一值,说明定值电阻的阻值变大了.
故答案为:R2 ;增大.
本题解析:
本题难度:一般