时间:2019-07-11 03:50:13
1、实验题 (2014?盐城三模)某实验桌上有下列器材:
定值电阻R0(约2kΩ)
电源(电动势约3V,内阻约0.5Ω)
电压表V(量程3V,内阻约4kΩ)
电流表A1(量程0.6A,内阻约0.5Ω)
电流表A2(量程100mA,内阻约50Ω)
电流表A3(量程2mA,内阻约50Ω)
滑动变阻器R1(0~40Ω,额定电流1A)
(1)为了测定R0的阻值,电流表应选 (选填“A1”、“A2”或“A3”).
(2)小明设计的测定R0的阻值的电路实物图如图甲所示,用笔画线代替导线将实物图补充完整.
(3)小华选择了一组器材,连接成如图乙所示的电路,想测量该电源的电动势和内电阻,对于电路的设计,不合理的是 .
(4)小华操作时,发现滑动变阻器触头在右端略向左移动时电流表就满偏,造成这种现象的主要原因是 .
参考答案:(1)
(2)如图(3)电流表采用了内接法(4)电流表量程偏小,或保护电阻阻值过小
本题解析:本题(1)的关键是根据求出的电路中的最大电流来选择电流表量程;题(2)的关键是根据变阻器的全电阻远小于待测电阻可知变阻器应采用分压式接法,根据待测电阻满足
可知电流表应用内接法;题(3)的关键根据电源内阻满足
可知电流表应用外接法;题(4)的关键是根据闭合电路欧姆定律写出通过电流表的表达式,然后讨论即可.
解:(1):根据闭合电路欧姆定律可知,电路中的最大电流为:
=
,所以电流表应选
;
(2):由于滑动变阻器的全电阻远小于待测电阻,所以变阻器应采用分压式接法;
由于待测电阻满足
,所以电流表应用内接法,电路图如图所示:
(3):由于电源的内阻远小于电压表内阻,满足
,电流表相对于待测电源来说应用外接法,所以图乙电路不合理的地方是电流表采用了内接法;
(4):根据闭合电路欧姆定律可知通过电流表的电流满足I=
,所以滑动变阻器触头在右端略向左移动时电流表就满偏说明原因可能为:电流表的量程偏小,或保护电阻阻值过小;
点评:应明确:①应根据电路中通过的最大电流来选择电流表的量程;②当变阻器的全电阻远小于待测电阻时,变阻器应采用分压式接法;③无论是待测电阻还是电源内阻,只要满足
时,电流表应用外接法,满足
时,电流表应用内接法.
本题难度:一般
2、实验题 在如图甲所示的电路中,四节干电池串联,小灯泡A、B的规格为“3.8 V,0.3 A”.合上开关S后,无论怎样移动滑动片,A、B灯都不亮.
(1)用多用电表的直流电压挡检查故障
①量程应该选( )
A.2.5 V B.10 V C.50 V D.250 V
②测得c、d间电压约为5.8 V,e、f间电压为0,则故障是( )
A.B灯丝断开 B.A灯丝断开
C.d、e间连线断开 D.B灯被短路
(2)接着训练用多用表测小灯泡电阻。
①测量前,一定要将电路中的开关S_ _(选填闭合或断开)
②将多用表的选择开关置于测电阻档的( )
A.“×1”挡 B.“×10”挡 C.“×100”挡 D.“×1k”挡
③将选择开关置于选择好档位上,应该进行最重要的一步是:将两表笔 ,调整 ,使指针指在 0刻度线上.
④某次测试结果如图乙所示 ,灯泡电阻读数为 _ Ω。
⑤换掉损坏的元件,电路正常后,闭合开关,发现灯很亮。断开开关,将选择开关置于“500mA”挡,将红表笔与开关右边的a接线柱接触,黑表笔与开关左边的b接线柱接触,稳定时其指针也指在上一题所指位置,则通过电灯的电流是 mA.
参考答案:(1)①(B)②(B)(2)①断开②(A)③短接,欧姆调零旋钮 ,最右边.④7 Ω⑤340mA.[
本题解析:①因为电源的电动势大约6V,要使电压档选择的量程要安全以及准确,则选择开关选择10V的量程.故B正确.
②测得c、d 间电压约为5.8V,接近电源电动势,e、f 间电压为0,可知灯泡A断路.故B正确.
(2)①用欧姆表测量电阻时,电键应断开,使得待测电阻与电源不相连.
②小灯泡的电阻为
,所以采用“×1”挡,故选A
③将两表笔短接,调整欧姆调零旋钮 ,使指针指在最右边0刻度线上
④欧姆表的读数为7×1Ω=7Ω
⑤每格表示20mA,则示数为
考点:考查了练习使用多用电表
本题难度:一般
3、实验题 现要用伏安法描绘一只标值为“2.5V,0.6W”小灯泡的I-U图线,有下列器材供选用:
A.电压表(0~3V,内阻3k
;0~15V,内阻10k
)
B.电流表(0~0.6A,内阻0.5
;0~3A,内阻0.1
)[来源:学*科*网Z*X*X*K]
C.滑动变阻器(10
,2A)
D.滑动变阻器(100
,1.0A)
E.蓄电池(电动势6V,内阻不计)

①为了减小测量误差,图甲中的S1应接 (填“M”或“N”),滑动变阻器应选用__________(用序号字母表示)。
②根据你选择的电路,用笔画线代替导线在图乙中将实物连接成实验所需电路图。
③开关S闭合之前,滑动变阻器的滑片应该置于 端(选填“A”、 “B”或“AB正中间”)。闭合开关后,移动滑动变阻器的滑片,电压表示数变化明显,但电流表示数始终为0,则电路故障为 。
参考答案:①M,C;②实物连接如图所示(连线或量程选错不得分 );
③A 小灯泡断路 (每空2分)
本题解析:①灯泡正常发光的电阻
,由于
,所以测量小电阻,电流表选择外接法,图甲中的S1应接M。观察甲图的实验电路,滑动变阻器为分压式,所以滑动变阻器选择阻值较小的C。②实物连接见答案。注意滑动变阻器分压式接入,下端两个接线柱与电源接通,上端接线柱接被测电阻,根据灯泡额定电压和额定电流,电压表选择
量程,电流表选择
量程。③开关闭合前,小灯泡的电压要从0开始调节,一开始电流应该最小,即灯泡被短路,滑片应该置于A端。闭合开关后,移动滑动变阻器的滑片,电压表示数变化明显,说明电压表和电源的电路连接是通路,电流表示数等于0,说明电流的那一段出现了断路,而电压表并联的用电器是小灯泡,所以小灯泡断路。
考点:描绘小灯泡福安特性曲线实验探究
本题难度:一般
4、实验题 (12分)实际电流表有内阻,测量电流表G1的内阻r1采用如图甲所示的电路。可供选择的器材如下:

①待测电流表G1:量程为0 ~ 5 mA,内阻约为300 Ω
②电流表G2:量程为0 ~ 10 mA,内阻约为40 Ω
③定值电阻R1:阻值为10 Ω
④定值电阻R2:阻值为200 Ω
⑤滑动变阻器R3:阻值范围为0 ~ 1000 Ω
⑥滑动变阻器R4:阻值范围为0 ~ 20 Ω
⑦干电池E:电动势约为1.5 V,内阻很小
⑧电键S及导线若干
(1)定值电阻R0应选 ,滑动变阻器R应选 。(在空格内填写序号)
(2)用笔画线代替导线,按图甲要求,在图乙中连接实物图。
(3)实验步骤如下:
①按电路图连接电路(为电路安全,先将滑动变阻器滑片P调到左端)
②闭合电键S,移动滑片P至某一位置,记录G1和G2的读数,分别记为I1和I2;
③多次移动滑动触头,记录各次G1和G2的读数I1和I2;
④以I1为纵坐标,I2为横坐标,作出相应图线,如图丙所示。
⑤根据I1-I2图线的斜率k及定值电阻R0,得到待测电流表G1的内阻表达式为r1 = 。(用k、R0表示)
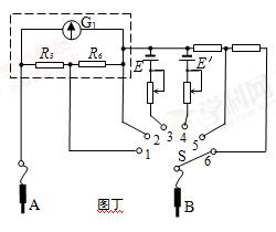
(4)若测定G1表的内阻r1为290 Ω,用它改装成如图丁的一个多量程多用电表,电流、电压和电阻的测量都各有两个量程(或分度值)不同的档位。1、2两个档位为电流表档位,其中的大量程是小量程的10倍。
①关于此多用表,下列说法正确的是:
A.当转换开关S旋到位置4时,是电阻档
B.当转换开关S旋到位置6时,是电压档
C.转换开关S旋到5的量程比旋到6的量程大
D.A表笔为红表笔,B表笔为黑表笔
②图中的电源 E′ 的电动势为9.0 V,当把转换开关S旋到位置4,在AB之间接900 Ω电阻时,表头G1刚好半偏。已知之前的操作顺序和步骤都正确无误。则R5 = Ω,R6 = Ω。
参考答案:(1)④;⑥ (2分) (2)如图见解析 (2分)(3)
(2分) (4)ABD(2分)
(5)29 (2分);261(2分)
本题解析:由题意知,电流表G1的量程5mA,内阻约300Ω,电流表所以G2的量程10mA,需与G1的并联电阻分流,所以选择200Ω定值电阻④;控制电路选择分压式接法,故滑动变阻器选择阻值较小的⑥;(2)实物图如图
(3)由图知
,整理得:
,所以
,解得:
;(4)由图知,旋钮开关接1、2为电流档,3、4为欧姆档,5、6为电压档,所以A正确;B错误;改装为电压表的量程为
,串联电阻的阻值越大,量程越大,故转换开关S旋到5的量程比旋到6的量程小,所以C错误;多电表电流从红色表笔流入电表,从黑色表笔流出电表,所以A表笔为红表笔,B表笔为黑表笔,故D正确;(5)“测量过程操作的顺序和步骤都正确无误”,意味着之前已经将A、B短接调零了(即让表头满偏),在AB之间接900
电阻时,表头G刚好半偏,说明:当表头半偏时,改装后的欧姆表“4”的总内阻
,则转换开关S在“2”时(如图a),电流表的量程为

依题意, 转换开关S在1(如图b)时,电流表的量程为
由表头G的满偏电流为
、内阻为290
和并联电路电流分配规律可解得:
29
,
261
。
考点:本题考查测量电表的内阻、多用电表的使用
本题难度:一般
5、实验题 用多用表的欧姆档测量阻值约为几十kW的电阻Rx,以下给出的是可能的操作步骤,其中S为选择开关,P为欧姆档调零旋钮,把你认为正确的步骤前的字母按合理的顺序填写在下面的横线上__________________。
a.将两表笔短接,调节P使指针对准刻度盘上欧姆档的零刻度,断开两表笔
b.将两表笔分别连接到被测电阻的两端,读出Rx的阻值后,断开两表笔
c.旋转S使其尖端对准欧姆档´1k
d.旋转S使其尖端对准欧姆档´100
e.旋转S使其尖端对准交流500V档,并拔出两表笔
根据右图所示指针位置,此被测电阻的阻值约为___________W。
参考答案:cabe;30k
本题解析:测阻值约为几十kΩ的电阻
,应选择×1k挡,然后进行欧姆调零,用欧姆表测待测电阻阻值,读出其示数,最后要把选择开关置于OFF挡或交流电压最高挡上,因此实验步骤为c、a、b、e;由图象可知,被测电阻阻值为
。
考点:考查了多用电表的使用
本题难度:一般