时间:2019-07-11 03:21:28
1、选择题 某一电学黑箱内可能有电容器、电感线圈、定值电阻等元件,在接线柱间以如图所示的“Z”字形连接(两接线柱间只有一个元件)。为了确定各元件种类,小华同学把DIS计算机辅助实验系统中的电流传感器(相当于电流表)与一直流电源、滑动变阻器、开关串联后,分别将AB、BC、CD接入电路,闭合开关,计算机显示的电流随时间变化的图象分别如图a、b、c所示,则如下判断中正确的是( ?)
A.AB间是电容器? B.BC间是电感线圈
C.CD间是电容器? D.CD间是定值电阻
2、选择题 如图所示的电路中,开关s闭合电路达到稳定状态时,流过灯泡A的电流为
,流过线圈L的电流为
,且
?.在t1时刻将开关s断开,那么流过灯泡A的电流随时间的变化图像是(?)
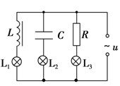
3、选择题 如图所示,把电阻R、电感线圈L、电容器C并联,三个支路中分别接有一灯泡.接入交流电源后,三盏灯亮度相同.若保持交流电源的电压不变,使交变电流的频率增大,则以下判断正确的是( )
A.L1灯比原来亮
B.L2灯比原来亮
C.L3灯和原来一样亮
D.L3灯比原来亮
4、选择题 如图所示,把电阻R、电感线圈L、电容器C并联,三个支路中分别接有一灯泡。接入交流电源后,三盏灯亮度相同。若保持交流电源的电压不变,使交变电流的频率增大,则以下判断正确的是 ( )
A.与电容器C连接的灯泡L2将变暗
B.与线圈L连接的灯泡L1将变暗
C.与电阻R连接的灯泡L3将变暗
D.三盏灯泡的亮度都不会改变
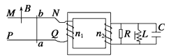
5、选择题 如图所示,MN和PQ为两个光滑的电阻不计的水平金属导轨,变压器为理想变压器,今在水平导轨部分加一竖直向上的匀强磁场,则以下说法正确的是
[? ]
A.若ab棒匀速运动,则IR≠0,IL≠0,IC=0
B.若ab棒匀速运动,则IR=0,IL=0,IC=0
C.若ab棒固定,磁场按B=Bmsinωt的规律变化,则IR≠0,IL≠0,IC≠0
D.若ab棒做匀加速运动,IR≠0,IL≠0,IC≠0