时间:2019-07-02 23:58:54
1、实验题  (1)使用多用电表粗测某一电阻,选择开关置于电阻×100档;多用电表的示数如图所示,则粗测电阻值为_____________Ω。
(2)如图是多用表的刻度盘,当选用量程为50mA的电流档测量电流时,表针仍指于图示位置,则所测电流为_____________mA。 
(3)如果要用此多用表测量一个约2.0×104Ω的电阻,为了使测量比较精确,应选的欧姆档是_____________(选填“×10”、“×100”或“×1K”)。换档结束后,实验操作首先要进行的步骤是__________________________。 
参考答案:(1)1500 
(2)30.9 
(3)×1K,重新进行欧姆挡调零
本题解析:
本题难度:一般
2、简答题  某同学利用电压表和电阻箱测定一种特殊电池的电动势?(电动势E大约在9V左右,内阻r约为50Ω),已知该电池?允许输出的最大电流为l50mA.该同学利用如图(a)所示的电路进行实验,图(a)中电压表的内阻约为2KΩ,R为电阻箱.阻值范围0~9999Ω,R0是定值电阻,起保护电路的作用.
(1)实验室备有的定值电阻尺.有以下几种规格:
A.2Ω?B.20Ω?C.200Ω?D.2000Ω,本实验应选______(填入相应的字母)作为保护电阻.
(2)在图(b)的实物图中,已正确地连接了部分电路,请完成余下电路的连接.
(3)该同学完成电路的连接后,闭合开关s,调节电阻箱的阻值;读取电压表的示数,其中电压表的某一次偏转如图(c)所示,其读数为______.
(4)改变电阻箱阻值,取得多组数据,作出了如图(d)所示的图线,则根据该同学所作出的图线可求得该电池的电动势E为______V,内阻r为______Ω.(结果保留两位有效数字)?(5)用该电路测电动势与内阻,测量和真实值的关系E测______E真,r测______r真(填“大于”、“小于”或“等于”)
参考答案:(1)当电阻箱的电阻调为零时,电路中电流最大,根据闭合电路欧姆定律得
? Im=ER0+r
得R0=10Ω
所以实验应选B.
(2)根据电路图连接实物图,电动势E大约在9V左右,电压表应选择15V的量程,如图:
(3)电压表应选择15V的量程,所以读数为6.5V,
(4)闭合开关,调整电阻箱的阻值,读出电压表的示数,再改变电阻箱的电阻,得出多组数据.根据1U=1E+rE1R0+R,知图线的纵轴截距表示电动势的倒数,图线的斜率等于rE.
有:1E=0.1,解得E=10V.
rE=5,解得r=50Ω.
(5)如果考虑电压表的内阻,根据实验的原理E=U+(UR0+R+URv)r,得:1U=1E(1+rRv)+rE?1R0+R,
考虑电压表的内阻,此时图线的纵轴截距表示1E(1+rRv),所以E测小于E真,r测小于r真.
故答案为:(1)B.(2)(3)6.5?v?(4)10,50Ω?(5)小于,小于
本题解析:
本题难度:一般
3、填空题  测量滑块挡光长度的游标卡尺读数如图所示,读得d=? mm
参考答案:36.2
本题解析:游标卡尺的读数,读得d=36mm+2×0.1mm=36.2mm
故答案为:36.2
本题难度:一般
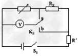
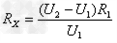
4、实验题  如图所示的电路中,定值电阻 =15Ω,K2为单刀双掷开关。闭合S1,将K2切换到a端,调节电阻箱,读出其阻值为R1,记录“数字式理想电压表”测得的数据为U1;然后保持电阻箱的阻值不变,将K1切换到b端,记录“数字式理想电压表”测得的数据为U2。
=15Ω,K2为单刀双掷开关。闭合S1,将K2切换到a端,调节电阻箱,读出其阻值为R1,记录“数字式理想电压表”测得的数据为U1;然后保持电阻箱的阻值不变,将K1切换到b端,记录“数字式理想电压表”测得的数据为U2。  ?
? 
(1)根据电路图用画线代替导线将实验仪器连成实验电路;
(2)试写出测待测电阻RX的表达式? ;
(3)若测得RX=2.5Ω,将K2切换到a端,多次调节电阻箱,读出多组电阻箱的阻值R和记录对应的U,对测得的数据进行处理,在 图上描出了几个点。试在坐标上做出
图上描出了几个点。试在坐标上做出 的图线。可求得电源的电动势E=? v,内阻r=??Ω。
的图线。可求得电源的电动势E=? v,内阻r=??Ω。
参考答案:(1)
(2)
(3)图“略”,2,2.5
本题解析:
本题难度:一般
5、简答题  如图所示,待测区域中存在匀强电场和匀强磁场,根据带电粒子射入时的受力情况可推测其电场和磁场.图中装置由加速器和平移器组成,平移器由两对水平放置、相距为l的相同平行金属板构成,极板长度为l、间距为d,两对极板间偏转电压大小相等、电场方向相反.质量为m、电荷量为+q的粒子经加速电压U0加速后,水平射入偏转电压为U1的平移器,最终从A点水平射入待测区域.不考虑粒子受到的重力.
(1)求粒子射出平移器时的速度大小v1;
(2)当加速电压变为4U0时,欲使粒子仍从A点射入待测区域,求此时的偏转电压U;
(3)已知粒子以不同速度水平向右射入待测区域,刚进入时的受力大小均为F.现取水平向右为x轴正方向,建立如图所示的直角坐标系Oxyz.保持加速电压为U0不变,移动装置使粒子沿不同的坐标轴方向射入待测区域,粒子刚射入时的受力大小如下表所示.
| 射入方向 | y | -y | z | -z 受力大小 
 
 
 
 | 

参考答案:(1)设粒子射出加速器的速度为v0,根据动能定理得:qU0=12mv20 
由题意得? v1=v0,即 v1=
本题解析:
本题难度:一般