时间:2019-07-02 23:55:08
1、选择题  平行板电容器C与三个可变电阻器R1、R2、R3以及电源连成如图所示的电路。闭合开关S待电路稳定后,电容器C两极板带有一定的电荷。要使电容器所带电荷量增加,以下方法中可行的是
A. 只增大R1,其他不变
B.只增大R2,其他不变
C.只减小R3,其他不变
D.只增大a、b两极板间的距离,其他不变
参考答案:B
本题解析:根据电路图可知,电容器两端的电压是电阻R2两端的电压,若只增大R1,其他不变,则电阻R2两端的电压会减小,电容器带电量减小,故选项A错误;若只增大R2,其他不变,则电阻R2两端的电压会变大,电容器带电量增加,故选项B正确;R3对电容器两板的电压无影响,故只减小R3,其他不变,电容器带电量不变;选项C错误;只增大a、b两极板间的距离,根据
,则电容器的电容减小,其他不变时,电容器带电量减小,选项D错误;故选B.
考点:直流电路中的含电容电路;电容器.
本题难度:一般
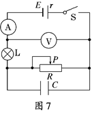
2、选择题  在如图所示的电路中,灯泡L的电阻大于电源的内阻r,闭合电键S,将滑动变阻器的滑片P向左移动一段距离后,下列结论正确的是(  )]
A.灯泡L变亮
B.电源的输出功率变大 
C.电容器C上的电荷量减少
D.电流表读数变小,电压表读数变大
参考答案:D
本题解析:当滑动变阻器滑片P向左移动,其接入电路的电阻增大,电路总电阻
增大,电流I减小,灯泡的功率
,
不变,则灯泡变暗,故A错误;当内、外电阻相等时,电源的输出功率功率最大.灯炮L的电阻大于电源的内阻,当R增大时,电源的输出功率减小,故B错误;变阻器两端电压增大,电容器与变阻器并联,电容器上电压也增大,则其电荷量增大,故C错误;电流表读数变小,电压表读数
变大.故D正确.
考点:考查了电路的动态分析,电容的动态变化
本题难度:一般
3、选择题   在如图所示的电路中,电源的负极接地,其电动势为E、内电阻为r,R1、R2为定值电阻,R3为滑动变阻器,C为电容器,A、V为理想电流表和电压表。在滑动变阻器滑动头P自a端向b端滑动的过程中,下列说法中正确的是 (   )
A.电压表示数变小
B.电流表示数变小 
C.a点的电动势降低
D.电容器C所带电荷量增多
参考答案:C
本题解析:在滑动变阻器滑动头P自a端向b端滑动的过程中,变阻器在路电阻减小,外电路总电阻减小,干路电流I增大,电阻R1两端电压增大,则电压表示数变大.电阻R2两端的电压U2=E
本题难度:一般
4、选择题  关于移动电话,下列说法中正确的是
A.随身携带的移动电话(手机)内,只有无线电接收装置,没有无线电发射装置
B.随身携带的移动电话(手机)内,既有无线电接收装置,又有无线电发射装置
C.两个携带手机的人,必须通过固定的基地台转接,才能相互通话
D.无线寻呼机(BP机)内只有无线电接收装置,没有无线电发射装置
参考答案:BCD
本题解析:移动电话内既有无线电接收装置又有无线电发射装置.由于移动电话发射功率小,因此必须通过固定的基地台转接,两个携带手机的人才能通话.BP机只有无线电接收装置,而无无线电发射装置.,所以BCD正确.
思路分析:移动电话内既有无线电接收装置又有无线电发射装置.由于移动电话发射功率小,因此必须通过固定的基地台转接,两个携带手机的人才能通话.BP机只有无线电接收装置,而无无线电发射装置.
试题点评:本题考查了电磁波的接收
本题难度:简单
5、选择题  如图所示,水平放置的平行板电容器中有一个带电液滴正好处于静止状态,现将滑动变阻器的滑片P向左移动,则(   )
A.电容器中的电场强度将增大 
B.电容器所带的电荷量将减少
C.电容器的电容将减小
D.液滴将向上运动
参考答案:选B.
本题解析:电容器和电阻R2并联,两端电压与R2两端电压相等,当滑片P向左移动时电路中电阻增大,总电流减小,R2两端电压减小,电容器中场强减小,A错;液滴受到的电场力减小,故液滴向下运动,D错误;由Q=CU知,电容器所带的电荷量减少,B正确;电容器的电容与两端电压及所带电荷量无关,故C错.
本题难度:一般