高考物理知识点总结《焦耳定律》在线测试(2019年最新版)(六)

时间:2019-07-02 23:35:07

微信搜索关注"91考试网"公众号,领30元,获取事业编教师公务员等考试资料40G

1、选择题  一白炽灯泡的额定功率与额定电压分别为36W与36V。若把此灯泡接到输出电压为18 V的电源两端,则灯泡消耗的电功率
A.等于36W
B.小于36W,大于9W
C.等于9W          
D.小于36W



2、选择题  把标有“220V 40W”、“220V 100W”的两个灯泡并联后接在电压为220V的电路中
A.40 W的灯较亮
B.100W的灯较亮
C.两灯泡一样亮
D.灯泡电阻未知,无法判断



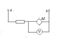
3、选择题  .在如图所示的电路中,定值电阻的阻值为10Ω,电动机M的线圈电阻值为2Ω,a、b两端加有44V的恒定电压,理想电压表的示数为24V,由此可知(?)

A.通过电动机的电流为12A
B.电动机消耗的功率为48W
C.电动机线圈在1分钟内产生的热量为480J
D.电动机输出的功率为8W



4、选择题  对于连入电路的不同灯泡而言,亮度大的灯泡是(?)
A.通过的电流大的灯泡
B.两端电压大的灯泡
C.电阻值大的灯泡
D.消耗功率大的灯泡



5、计算题  (8分)如图所示,电源电动势E=10V,内阻r=0.5Ω;开关闭合后“8V、 12W”的灯泡恰好能正常发光,电动机也正 常工作,电动机M绕组的电阻R0=1Ω,求:

(1)电源的总功率;
(2)电动机的输出功率。




首页 上页 5 6 7 下页 尾页 6/10/10
微信搜索关注"91考试网"公众号,领30元,获取公务员事业编教师考试资料40G
【省市县地区导航】【考试题库导航】
 ★ 高考省级导航 ★ 
全国 A安徽 B北京 C重庆 F福建 G广东 广西 甘肃 贵州 H河南 河北 湖南 湖北 黑龙江 海南 J江苏 江西 吉林 L辽宁 N内蒙古 宁夏 Q青海 S山东 山西 陕西 四川 上海 T天津 X新疆 西藏 Y云南 Z浙江
 ★ 高考信息汇总 ★ 
 ★ 高考历年真题 ★ 
 ★ 高考历年真题 ★ 
 ★ 高考题库 ★ 
 ★ 高考题库 ★ 

电脑版  |  手机版  |  返回顶部