时间:2019-07-02 23:35:07
1、计算题 人们利用发电机把天然存在的各种形式的能(水能、风能、煤燃烧的化学能等)转化为电能,为了合理地利用这些能源,发电站要修建在靠近这些天然资源的地方,但是用电的地方往往很远,因此,就需要高压输送线路把电能输送到远方。如果某发电站将
的电压直接地加在高压输送线路的输入端,向远方供电,且输送的电功率为
。则此时安装在高压输送线路的入端和终端的电能表一昼夜读数就相差
?(1
=1度电)。求:
(1)此种情况下,高压线路的终端功率和输电效率.
(2)若要使此高压输电线路的输电效率为97%,则在发电站处应安装一个变压比
是多少的变压器?
参考答案:(1)200 kW? 66.7%(2)
=
本题解析:(1)此情况下,终端功率
P′=P-
=300 kW-
=200 kW.(2分)
所以输电效率:η=
=
×100%=66.7%.(2分)
(2)设高压输送线路的导线电阻为r,
由题意知:原来线路损耗P损1=
r=100 kW,(1分)?而UI1=P,(1分)
现在线路损耗:P损2=P×(1-98%)=
r,(1分)?而U′I2=P,(1分)
=
?(2分),解得:
=
.(2分)
点评:在功率的计算时,要注意功率公式
及
的正确使用,如本题中求总功率采用了
,而求输电线上消耗的功率时采用了
,要注意认真体会其不同点.
本题难度:一般
2、计算题 (8分)如图所示,电阻
,小灯泡
上标有“3V,1.5W”,电源内阻
,滑动变阻器的最大阻值为
(大小未知),当触头
滑动到最上端
时,电流表的读数为l A,小灯泡
恰好正常发光,求:
(1)滑动变阻器的最大阻值
;
(2)当触头
滑动到最下端
时,求电源的总功率及输出功率。
参考答案:
解:(1)当触头
滑动到最上端
时,流过小灯泡
的电流为:
?(1分)
流过滑动变阻器的电流为:
?(1分)
故:
?(1分)
(2)电源电动势为:
?(1分)
当触头
滑动到最下端
时,滑动变阻器和小灯泡均被短路。电路中总电流为:
?(1分)
故电源的总功率为:
?(1分)
输出功率为:
?(2分)
本题解析:略
本题难度:一般
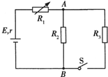
3、计算题 (16分)如图所示的电路中,所用电源的电动势E=4V,内阻r=1.0Ω,电阻R1可调。现将R1调到3Ω后固定.已知R2=6Ω,R3=3Ω。
(1)开关S断开和接通时,通过R1的电流分别为多大?
(2)为了使A、B之间电路的电功率在开关S接通时能达到最大值,应将R1的阻值调到多大?这时A、B间消耗的最大电功率为多少?
参考答案:(1)断开时0.4A,接通时
;(2)
本题解析:(1)由题意知,S断开时,根据闭合电路的欧姆定律可得:
;s接通时,
?,
;?
(2)当R1=0时,总电流最大,A、B之间的电功率最大,根据闭合电路的欧姆定律可得:
,所以A、B间消耗的最大电功率为
。
本题难度:一般
4、简答题 如图所示电路中,电源电动势E=10V,内阻r=2Ω,电阻
=0.5Ω,则变阻器R阻值调至多少Ω时,变阻器消耗的电功率最大,消耗的最大电功率为多少W?
参考答案:2.5Ω?;10W
本题解析:
本题难度:简单
5、选择题 下列电器在工作时,主要利用电流热效应的是
A.电暖器
B.录音机
C.电话机
D.电视机
参考答案:A
本题解析:A、电暖气是利用电流的热效应来工作的,故A正确;
B、录音机利用的是电流的磁效应.故B错误.
C、电话机的听筒里面有一个电磁铁,所以其利用了磁效应.故C错误
D、电视机是利用电流磁效应来工作的,故D错误;
故选A
本题难度:简单