时间:2019-07-02 23:32:16
1、简答题  在用多用电表欧姆档测量电阻的实验中:(1)下列进行调零操作和观察的合理顺序是______(填字母序号)
A.将两表笔分开;
B.短接两表笔;
C.旋动欧姆调零旋钮;
D.使指针偏转到零欧姆处.
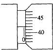
(2)当测量一电阻时,把选择开关扳到“×10挡”,经过正确操作,但发现指针偏转角很小,为了能较准确地测出该电阻的阻值,将选择开关扳至______档(选填“×100挡”或“×1挡”),然后重新进行了欧姆调零,测量时表盘的示数如图所示,则所测电阻的电阻值为______Ω.
2、简答题  相距2L的AB、CD两平行直线间区域存在着两个方向相反的匀强电场,其中PT上方的电场E1竖直向下;下方的电场E0竖直向上.PQ上连续分布着电量+q、质量m的粒子,依次以相同的初速度v0垂直射入E0中,PQ=L.若从Q点射入的粒子恰从M点水平射出(如图),MT=L/2.不计粒子的重力及相互作用.问:
(1)E0与E1的大小
(2)若从M点射出的粒子恰从中点S位置垂直射入边长为a的正方形有界匀强磁场区域(如图).要使粒子能够从最上边界射出磁场区域.则该匀强磁场的磁感强度B大小?
3、简答题  ①某实验小组在“测定金属电阻率”的实验过程中,正确操作获得金属丝的直径以及电流表、电压表的读数如图1所示,则它们的读数值依次是______mm、______A、______V.
②已知实验中所用的电流表内阻约几欧,电压表内阻约20kΩ,则本实验电路应当采用图2中的______(填A或B),用此电路测量的金属丝电阻比真实值偏______(选填“大”或“小”).
③若已知实验所用的电流表内阻的准确值为RA,那么能准确测量金属丝电阻Rx的电路应选图2中的______电路(填A或B).若此时测得电流为I、电压为U,则金属丝电阻Rx=______(用题中字母代号表示).若用米尺测得金属丝的长度为L,用螺旋测微器测得金属丝直径为d,则该金属丝的电阻率ρ=______(用π、d、L、Rx表示).
4、简答题  某同学利用实验室提供的器材探究一种金属丝的电阻率.所用的器材包括:
A.电池组,电动势6V
B.电流表,量程为500mA,内阻约为1Ω
C.电压表,量程为3V,内阻约为3kΩ
D.待测金属丝,电阻约为4Ω
E.螺旋测微器
F.米尺,最小刻度为1mm
G.滑动变阻器,最大阻值5Ω,最大电流2A
H.开关和导线若干
(1)在实验中,既要保证器材安全,又要减小误差,应选用的实验电路为______.
(2)该同学用螺旋测微器测量金属丝的直径,示数如下图所示.金属丝的直径d=______mm.
(3)测得金属丝长度L=51.00cm,电阻R=4.08Ω.则用d、L、R表示该金属丝的电阻率ρ=______,代入数据解得ρ=______Ω?m(结果保留2位有效数字).
5、选择题  如图所示,MN是纸面内的一条直线,其所在空间充满与纸面平行的匀强电场或与纸面垂直的匀强磁场(场区都足够大),现有一个重力不计的带电粒子从MN上的O点以水平初速度v0射入场区,下列判断正确的是
[? ]
A、如果粒子回到MN上时速度增大,则该空间存在的场一定是电场
B、如果粒子回到MN上时速度大小不变,则该空间存在的场可能是电场
C、若只改变粒子的初速度大小,发现粒子再回到MN上时与其所成的锐角夹角不变,则该空间存在的场一定是磁场
D、若只改变粒子的初速度大小,发现粒子再回到MN上所用的时间不变,则该空间存在的场一定是磁场