时间:2019-07-02 23:25:15
1、选择题 用一根横截面积为S、电阻率为?ρ?的硬质导线做成一个半径为r,的圆环,ab?为圆环的一条直径.如图所示,在?ab?的左侧存在一个匀强磁场,磁场垂直圆环所在平面,方向如图,磁感应强度大小随时间的变化率
| △B △t |
| krs 2ρ |
| 1 4 |

2、选择题 电动势为E、内阻为r的电源与定值电阻R1、R2及滑动变阻器R连接成如图所示的电路.当滑动变阻器的触头由中点滑向a端时( )
A.电压表读数减小,电流表读数增大
B.电压表读数增大,电流表读数减小
C.电压表和电流表读数都减小
D.电压表和电流表读数都增大
3、选择题 A、B、C是三个不同规格的灯泡,按图示方式连接都能正常发光,已知电源的电动势为E,内电阻为r,将滑动变阻器的滑片P向左移动,则三个灯亮度变化是
[? ]
A.A、B灯比原来亮,C灯变暗
B.A、B灯比原来暗,C灯变亮
C.都比原来亮
D.都比原来暗
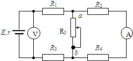
4、选择题 在如图所示的电路中,R1、R2、R3和R4皆为定值电阻,R5为可变电阻,电源的电动势为E,内阻为r.设电流表A的读数为I,电压表V的读数为U.当R5的滑动触点向图中a端移动时( )
A.I变大,U变小
B.I变大,U变大
C.I变小,U变大
D.I变小,U变小
5、选择题 如图所示,甲、乙为两个独立电源的路端电压与通过它们的电流I的关系图线,下列说法中正确的是( )
A.路端电压都为U0时,它们的外电阻相等
B.电流都是I0时,两电源的内电压相等
C.电源甲的电动势大于电源乙的电动势
D.电源甲的内阻小于电源乙的内阻