时间:2019-06-29 05:49:57
1、填空题 为了测定一个定值电阻的阻值,某同学利用如图(a)所示的电路进行实验.电源电动势为E(大小未知)、内阻不计,R为待测电阻,R′为电阻箱,电压表的内阻非常大.实验时,改变R′的值,记下对应的电压表0所示的电压U的值,从而得到若干组R′、U的数据,然后通过作出有关物理量的线性图象,即可求得R的阻值.
(1)请写出与你所作线性图象对应的函数关系式______.
(2)请在图(b)所示虚线框内的坐标系中作出定性图象(要求标明两个坐标轴所代表的物理量,用符号表示).
(3)若该线性图象的纵轴截距为b,斜率为k,则电阻R的表达式为R=______.
参考答案:(1)根据闭合电路欧姆定律得:E=U+URR′1ERR′
由数学变形得:1U=1ERR′+1E,E、R均是定值,则1U与1R′是线性关系.
(2)作出1U-1R′的定性图象如图所示.
(3)根据数学知识知:图象的纵轴截距b=1E,斜率k=1ER
则得 R=bk?
故答案为:
(1)1U=1ERR′+1E;
(2)作出1U-1R′的定性图象如图所示.
(3)bk.
本题解析:
本题难度:一般
2、实验题 某研究性学习小组的同学进行电学实验过程发现一个有趣的元件,它由A、B两导体并联组成,被封闭在一个透明的玻璃壳内,a、b是其两个外露的接线柱,如图(a)所示,A是一个阻值为20Ω的定值电阻,B是一种由特殊金属丝制成的导体,它的额定电压是9V。为了进一步探究该元件的某些特性,同学们设计了适当的电路,使该元件上电压从零开始逐渐增加,测得相应的电流,并绘制出如图(c)所示的I-U曲线。
(1)图(b)是该小组实验时连接的实物图,请将漏画的一根导线补上;
(2)由图(c)的I-U曲线可求得导体B的额定电流为__________A;
(3)若把该元件与一阻值为18Ω的定值电阻串联后接到电动势为9V,内阻不计的电源两端,则该元件的实际功率为_____________W。
?
? 
参考答案:(1)如图
(2)0.09
(3)0.99±0.03
本题解析:
本题难度:一般
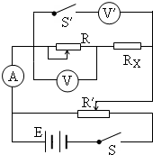
3、简答题 如图所示的电路是伏安法测电阻的一种改进电路,请按要求作答.
(1)将下面的实验步骤补充完整:
①将开关S与S′都闭合,仔细调整两个滑动变阻器R与R′的滑片,使得电压表V的读数U等于电压表V′的读数U′的一半;
②保持开关S闭合,______,并且在以后的操作过程中滑动变阻器______(填“R”或“R′’)的滑片不允许再作调整,观察、记录此时电压表V的读数U以及电流表A的读数I;
③重复步骤①②,测量并记录多组U、I数据.
(2)被测电阻RX测量值的表达式为RX=______.
(3)这种方法得到的测量值RX与真实值R真之间的关系,从理论上说应该是Rx______R真(填“>”、“=”或“<”).
参考答案:(1)根据原理图和题意可知该实验的实验原理是:通过测量滑动变阻器R与电压表V的并联值得出待测电阻的阻值,这样可以消除了由于电压表分流造成的误差,第一步仔细调整两个滑动变阻器R与R′的滑片,使得电压表V的读数U等于电压表V′的读数U′的一半的目的是使待测电阻的阻值和滑动变阻器R与电压表V的并联值相等,然后保存断开开关S′后,要保持R的划片不动.
故答案为:断开开关S′,R.
(2)要保持R的划片不动,从而使滑动变阻器R与电压表V的并联值不变,通过调节R′读出电压和电流值,可知:Rx=UI.
故答案为:UI.
(3)当电流表外接时,不可避免的由于电压表的分流造成实验误差,因此此时测量值UI为滑动变阻器R与电压表V内阻的并联值,由于其并联值和待测电阻的阻值相等,因此可以用其代替测量电阻的阻值.这样就消除了由于电压表分流造成的误差,即从理论上将Rx=R真.
故答案为:=.
本题解析:
本题难度:一般
4、简答题 某同学用伏安法测一个未知电阻的阻值,他先将电压表接在a点,读得两表示数分别为U1=3.0V,I1=3.0mA,然后将电压表改接在b点,读得两表示数分别为U2=2.9V,I2=4.0mA,如图所示,由此可知电压表应接到______点误差较小,测得Rx值应为______Ω.
参考答案:由题意可知,当电压表接b时,电压表示数是准确的,试触时电压表变化量为0.1V,故电压表的变化量为准确值的0.12.9=129;
而电压表接a时,电流表是准确的,而电流表变化为1mA;相对于准确值的变化量为:13; 即两种接法中电压表变化较小,故电流表的分压效果较小,故应接到a点采用电流表内接法误差较小;测得数据Rx=3.00.003=1kΩ;
故答案为:a,1k.
本题解析:
本题难度:一般
5、简答题 (1)小灯泡的电阻会随温度的升高而变大.某同学为研究这一现象,用实验得到它的伏安特性曲线如图(a)所示(I和U分别表示电阻的电流和电压).要求小灯泡两端电压从零逐渐增大到额定电压以上.
①、可用的器材有:电压表、电流表、滑线变阻器(变化范围:0-10Ω)、电源、电阻、电键、导线若干.)他们应选用如图(a)中所示的______电路进行实验;
②、根据实验测得数据描绘出如下图所示U-I图象,由图分析可知,小灯泡电阻R随温度T变化的关系是T越高R越______(填“大”或“小).
(2)实验中使用的小灯泡标有1.5V字样,请你根据实验结果求出小灯泡在1.5V电压下的实际功率是______W.
参考答案:(1)①描绘小灯泡伏安特性曲线,滑动变阻器应采用分压接法,电流表采用外接法,故选图A所示实验电路.
②由灯泡的U-I图象可知,随灯泡电压增大通过灯泡的电流也增大,灯泡实际功率P=UI变大,灯泡温度变高,由图象可知,灯泡电阻变大.
(2)由U-I图象可知,电压1.5V对应的电流是0.46A,灯泡在1.5V下的实际功率P=UI=1.5V×0.46A=0.69W.
故答案为:(1)①A;②大;(2)0.69.
本题解析:
本题难度:一般