时间:2019-06-29 05:44:08
1、选择题 质量为m的物体,从静止出发以g/2的加速度竖直向下运动h米,下列正确的是(?)
A.物体的重力势能减少mgh/2
B.物体的机械能保持不变
C.物体的动能增加mgh/2
D.物体的机械能减少mgh/2
参考答案:CD
本题解析:物体从静止开始以g/2的加速度沿竖直方向匀加速下降高度h,重力势能减小mgh;A错误;
,动能增加了mgh/2,C正确;由牛顿第二定律可知拉力F为mg/2,方向向上,F做功为-mgh/2,机械能减小mgh/2,选项D正确;故选CD
点评:本题难度较小,判断物体机械能变化根据除了重力做功以外其它力做功
本题难度:简单
2、简答题 一台电风扇,内阻为2Ω,接上220V电压后,通过电流3A,问:?
(1)电风扇正常工作时电流做功功率??
(2)转化为内能的功率是多少?
(3)电风扇正常工作时转化为机械能的功率是多少?
参考答案:(1)电流做功功率P=UI=220V×3A=660W;
(2)转化为内能的功率PQ=I2R=32×2=18W;
(3)机械功率P机=P-PQ=660-18=642W;
答:(1)电风扇正常工作时电流做功功率为660W.?
(2)转化为内能的功率是18W.
(3)电风扇正常工作时转化为机械能的功率是642W.
本题解析:
本题难度:一般
3、选择题 一物体静止在光滑水平面,先对它施加一水平向右的恒力F1,经时间t后撤去该力,并立即再对它施加一水平向左的恒力F2,又经时间t后物体回到出发点,则在此过程中,F1、F2分别对物体做的功的大小W1、W2的关系是( )
A.W1=W2
B.W2=2W1
C.W2=3W1
D.W2=5W1
参考答案:C
本题解析:根据两段运动位移大小相等可得
,计算可得
,因为F=ma,所以
,因为W=FS,所以W2=3W1,故选C
考点:考查功的计算
点评:本题难度较小,抓住已知条件:位移大小相同,只需确定两个力的大小关系即可求解
本题难度:一般
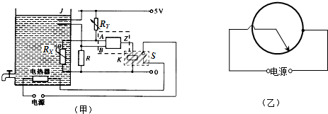
4、简答题 图(甲)所示的是安全恒温饮水机的自动控制电路.左边是一个对水加热的容器,内有密封绝缘的电热丝发热器和接触开关J,只要有水浸没J,它就会导通.RX是一个热敏电阻,低温时呈现高电阻,达到高温时(如水的沸点)呈现低电阻.RY是一个可变电阻,低温时RX>>RY,高温(水的沸点)时RX<<RY.中间虚线框内是一个逻辑门,A、B是逻辑门的输入端,Z是输出端.当A、B输入都为高电势时,Z才输出高电势.右边阴影框K内是一个继电器,当Z输出高电势时电磁线圈中有电流,S被吸动闭合,发热器工作.
(1)根据题意,填空:中间虚线框内是一个______逻辑门,该逻辑门的输入端A实现对______条件的控制、输入端B实现对______条件的控制.
(2)该加热电路中,电源的电动势为220V,内电阻为3.2Ω,电热器是一根额定电流为5A、总阻值为200Ω的均匀电阻丝制成的圆环形滑动变阻器,如图(乙)所示.求该电路安全工作时,电源的可能最高效率和可能最大输出功率分别是多少?
参考答案:(1)当A、B输入都为高电势时,Z才输出高电势,故中间虚线框内应是“与”逻辑门.
Rx是测量水温的与A相连,J是用来控制水位的与B相连,根据工作原理可知该逻辑门的输入端A实现对“水温是否较低”条件的控制、输入端B实现对“水位是否高于J位置”条件的控制.
故答案为:与;水温是否较低;水位是否高于J位置.
(2)①电源的效率?η=IUIE=UE=RR+r=11+rR
可见当电阻丝并联电阻R′最大时,电源可能达到的效率最高?
由于R′=R1(R-R1)R,当R1=(R-R1)?时,并联电阻达最大值
R′max=12×2002Ω=50Ω?
所以?ηmax=R′max(R′max+r)=50(50+3.2)×100%=94%?
②设电阻丝的一个支路电阻R1为允许的最小值?R1min?时,其电流恰达到额定电流
I0=5A,这时并联电阻丝达到允许的最大功率?
由闭合电路欧姆定律,得?I0R1min+(I0+I0R1minR-R1min)r=E
代入数据并整理,得?R21min-244?R1min+8160=0?
即?(R1min-40)(R1min-204)=0
解得?R1min=40Ω?(另一解大于200Ω,不合题意,舍去)?
这时并联电阻?R″=R1min×(R-R1min)R=40×(200-40)200Ω=32Ω?
所以电源可能的最大输出功率为
Pmax=E2(R″+r)2R″=2202(32+3.2)2×32?W=1250W?
答:①电源的可能最高效率为94%,②可能最大输出功率分别是1250W.
本题解析:
本题难度:一般
5、选择题 图中的平行直线表示一簇垂直于纸面的等势面.一个电量为-5.0×10-8C的点电荷,沿图中曲线从A点移到B点,电场力做的功为(? )
A.-5.0×10-7J
B.5.0×10-7J
C.-3.5×10-6J
D.3.5×10-6J
参考答案:B
本题解析:电场力做功与路径无关,根据电势差与电场力做功的关系可知,电荷沿曲线从A点移到B过程中,电场力做的功
,故只有B正确。
本题难度:一般