时间:2019-06-29 05:41:46
1、简答题 抛体运动:物体以一定的______向空中抛出,仅在______作用下物体所做的运动.
2、填空题 以速度v0水平抛出一小球,忽略空气阻力,当小球的水平位移与竖直位移大小相等时,小球速度的大小为______m/s,小球在空中运动的时间是______s.
3、简答题 如图所示,小物块A在粗糙水平面上做直线运动,经距离l时与另一小物块B发生碰撞并粘在一起以速度v飞离桌面,最终落在水平地面上.已知l=5.0m,s=0.9m,A、B质量相等且m=0.10kg,物块与桌面间的动摩擦因数?=0.45,桌面高h=0.45m.不计空气阻力,重力加速度g=10m/s2.求:
(1)A、B一起平抛的初速度v;
(2)小物块A的初速度v0.
4、计算题 如图所示,一高度为h=0.2m的水平面在A点处与一倾角为θ=30°的斜面连接,一小球以v0=5m/s的速度在平面上向右运动。求小球从A点运动到地面所需的时间(平面与斜面均光滑,取g=10m/s2)。某同学对此题的解法为:小球沿斜面运动,则
,由此可求得落地时间t。问:你同意上述解法吗?若同意,求出所需时间;若不同意则说明理由并求出你认为正确的结果。 
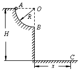
5、计算题 如图所示,位于竖直平面内的1/4圆弧光滑轨道,半径为R,轨道的最低点B的切线沿水平方向,轨道上端A距水平地面高度为H。质量为m的小球(可视为质点)从轨道最上端A点由静止释放,经轨道最下端B点水平飞出,最后落在水平地面上的C点处,若空气阻力可忽略不计,重力加速度为g。求:
(1)小球运动到B点时,轨道对它的支持力多大;
(2)小球落地点C与B点的水平距离x为多少;
(3)比值R/H为多少时,小球落地点C与B点水平距离x最远;该水平距离最大值是多少。 