时间:2019-06-29 05:22:21
1、简答题 (1)某同学用电流表和电压表测一节干电池的电动势和内电阻,实验中连接的实物图如右图所示(导线上有编号),图中有一根导线连接错误,他接错的导线是______(写编号),按他这种接法在实验时会出现什么情况?
答:______.
(2)如果实验时只允许使用一个电表,其他仪器可以自行选择,请在右边虚线框内画出相应的实验电路图.
(3)(多选题)第(2)问电路中的电阻可以选择的是:______
A.最大阻值为20欧的滑动变阻器
B.最大阻值为2000欧的滑动变阻器
C.最大阻值为9999欧的电阻箱
D.阻值分别为20欧和10欧的两个定值电阻.
2、实验题 在研究平抛运动的实验中,小球必须每次从斜槽上的(1)?位置落下,是为了使小球离开斜槽末端的(2)?不变,同时需要调节斜槽末端(3)?。在坐标纸的平抛运动轨迹上任取一点,用刻度尺量出它的坐标x和y,则实验中的小球的初速度表达式为(4)
?。
右图是某同学做平抛运动实验时,用一张印有小方格的纸记录轨迹,小方格的边长L=1.25cm,若小球在平抛运动途中的几个位置如图中的a、b、c、d所示,则小球平抛的初速度的计算式为(5)V0=?(用L、g表示),其值是(6)??(取g=10m/s2)。
3、实验题 如图(a)所示足一个欧姆表的外部构造示意图,其正、负插孔内分别插有红、黑表笔,则虚线内的电路图应是(b)图中的图______________。 
4、选择题 如图所示,充电后的平行板电容器竖直放置,板间一带正电的绝缘球用绝缘细线悬挂于A板上端,若将小球和细线拉至水平位置,由静止释放后小球将向下摆动直至与A板发生碰撞,此过程细线始终处于伸直状态,则此过程中( )
A.小球电势能一直增加
B.小球的动能一直增大
C.小球受细线的拉力一直在增大
D.小球运动的向心加速度先增大后减小
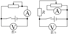
5、简答题 某组同学利用如下器材测定一种电池的电动势和内阻:
①定值电阻R,标有“XΩ,1A”;②滑动变阻器Rx,变化范围0~54Ω,额定电流1A;
③理想电流表;④理想电压表;⑤待测电池;⑥电键导线若干
(1)甲同学按如图a连接了实验线路,将滑片从某一点逐渐向左移动后,得到了表一的U、I数据,则可知电源电动势大小为______V,内阻为______Ω.
表一:
| U/V | 5.6 | 5.4 | 5.2 | 5.0 I/A 0.2 0.3 0.4 0.5 |
| U/V | … | … | 5.4 | … I/A 0.1 0.2 … |
