时间:2019-06-29 05:16:13
1、选择题 如图所示理想变压器的副线圈上通过输电线接两个相同的灯泡L1和L2,输电线的等效电阻为R。开始时电键K断开。当K接通后,以下说法正确的是
[? ]
A.副线圈两端MN的输出电压减小
B.输电线等效电阻上的电压降增大
C.通过灯泡L1的电流减小
D.原线圈中的电流不变
参考答案:BC
本题解析:
本题难度:一般
2、选择题 如图所示是一种调压变压器的原理图,线圈AB绕在一个圆环形的铁芯上,AB间加上正弦交流电压U,移动滑动触头P的位置,就可以调节输出电压,在输出端连接了滑动变阻器R和理想交流电流表,变阻器的滑动触头为Q,则下列判断错误的是
[? ]
A.保持P的位置不动,将Q向下移动时,R消耗的功率变大
B.保持P的位置不动,将Q向下移动时,电流表的读数变小
C.保持Q的位置不动,将P沿逆时针方向移动时,电流表的读数变大
D.保持Q的位置不动,当P沿顺时针方向移动时,R消耗的功率变小
参考答案:A
本题解析:
本题难度:一般
3、选择题 如图甲所示,理想变压器原、副线圈的匝数比为11:1,R1=20Ω,R2=30Ω,C为电容器。已知通过R1的正弦交流电如图乙所示,则? 
[? ]
A.交流电的频率为0.02?Hz?
B.原线圈输入电压的最大值为200
?V
C.电阻R2的电功率约为6.67?W?
D.通过R3的电流始终为零
参考答案:C
本题解析:
本题难度:一般
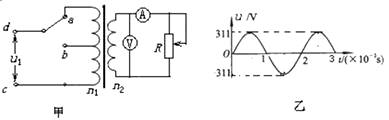
4、选择题 如图甲所示,理想变压器原副线圈的匝数比为10:1,b是原线圈的中心抽头,图中电表均为理想的交流电表,定值电阻R=10Ω,其余电阻均不计.从某时刻开始在原线圈c、d两端加上如图乙所示的交变电压。则下列说法中正确的有 
A.当单刀双掷开关与a连接时,电压表的示数为31.1V
B.当单刀双掷开关与b连接且在0.01s时,电流表示数为2.2A
C.当单刀双掷开关由a拨向b时,副线圈输出电压的频率变为25Hz
D.当单刀双掷开关由a拨向b时,原线圈的输入功率变大
参考答案:D
本题解析:由图象可知,电压的最大值为311V,交流电的周期为
,所以交流电的频率为
;当单刀双掷开关由a拨向b时,变压器不会改变电流的频率,所以副线圈输出电压的频率为
;当单刀双掷开关由a拨向b时,根据变压比公式,输出电压减小,故输出电流减小,故输入电流也减小;故A错误,C错误;当单刀双掷开关与a连接时,R减小时副线圈电流增加,故原线圈的电流也增加;故B错误;交流电的有效值为220V,根据电压与匝数程正比可知,当单刀双掷开关与a连接时,副线圈电压为44V;故D正确;
考点:考查了交流电图像,理想变压器
本题难度:一般
5、选择题 如图所示,一理想变压器原、副线圈匝数比n1:n2=11:5.原线圈与正弦交变电源连接,输入电压u=220
sin(100πt)V.副线圈接入电阻的阻值R=100Ω.则( ) 
A.通过电阻的电流是22A
B.交流电的频率是100Hz
C.与电阻并联的电压表的示数是100V
D.变压器的输入功率是484W
参考答案:C
本题解析:根据变压器的变压规律
,U1=220V,可得:U2=100V,所以负载电流
,故A错误;因输入电压u=220
sin(100πt)V,故
,得:f=50Hz,所以B错误;电压表的示数对应有效值等于U2=100V,所以C正确;变压器的输入功率等于输出功率
,所以D错误。
本题难度:一般