时间:2019-06-29 04:57:00
1、填空题 在研究弹簧的弹性势能与弹簧长度改变量的关系的实验中,弹簧长度的改变量可以利用刻度尺直接测量得到,而弹性势能的大小只能通过物理原理来间接测量.现有两组同学分别按图甲(让钢球向左压缩弹簧一段距离后由静止释放,使钢球沿水平方向射出桌面)和图乙(让滑块向左压缩弹簧一段距离后由静止释放,使滑块在气垫导轨上向右运动,通过相应的测量仪器可以测出滑块脱离弹簧后的速度)两组不同的测量方案进行测量.请写出图甲方案中弹性势能与小球质量及图中各量之间的关系EP=______;图乙方案中除了从仪器上得到滑块脱离弹簧后的速度外还要直接测量的量______;两种方案的共同点都是将弹性势能的测量转化为对______能的测量.请你用简短的语言设计第三种研究弹簧弹性势能的方案______.
参考答案:甲方案中,滑块做平抛运动,由水平与竖直位移可求出平抛速度,则为:v=s
本题解析:
本题难度:一般
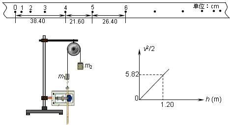
2、实验题 用如图实验装置验证m1 、m2组成的系统机械能守恒。m2从高处由静止开始下落,m1上拖着的纸带打出一系列的点,对纸带上的点迹进行测量,即可验证机械能守恒定律。下图给出的是实验中获取的一条纸带:0是打下的第一个点,每相邻两计数点间还有4个点(图中未标出),计数点间的距离如图所示。已知m1=50g 、m2=150g ,则(g取10m/s2,结果保留两位有效数字)
(1)下面列举了该实验的几个操作步骤:
A.按照图示的装置安装器件;
B.将打点计时器接到直流电源上;
C.先释放m2,再接通电源打出一条纸带;
D.测量纸带上某些点间的距离;
E.根据测量的结果,分别计算系统减少的重力势能和增加的动能。
其中操作不当的步骤是:____________(填选项对应的字母)。
(2)在纸带上打下记数点5时的速度v= ____________m/s;
(3)在打点0~5过程中系统动能的增量△EK=____________J,系统势能的减少量△EP=____________J,由此得出的结论是____________; 
参考答案:
(1)BC
(2)2.4
(3)0.58,0.60,在误差允许的范围内m1、m2组成的系统机械能守恒
本题解析:
本题难度:一般
3、实验题 在“验证机械能守恒定律”的实验中,如果纸带上前面几点比较密集,不够清楚,可舍去前面比较密集的点,在后面取一段打点比较清楚的纸带,同样可以验证。如图所示,取O点为起始点,各点的间距已量出并标注在纸带上,所用交流电的频率为50Hz,g取10m/s2,重锤的质量为m(为什么不需要测量其值?)。 
(1)打A点时,重锤下落的速度为vA=________,重锤的动能EkA=_________。
(2)打F点时,重锤下落的速度为vF=_________,重锤的动能EkF=?___________。
(3)打点计时器自打A点开始到打出F点,重锤重力势能的减少量ΔEP=____________,动能的增加量为ΔEk=____________。
(4)根据纸带提供的数据计算,在误差允许的范围内,重锤从打点计时器打A开始到打出F点的过程中,得到的结论是________________________。
参考答案:(1)1.30m/s;0.85m
(2)2.28m/s;2.60m
(3)1.78m;1.76m
(4)在误差允许范围内,重锤下落过程中机械能守恒
本题解析:
本题难度:一般
4、计算题 如图所示,固定的光滑圆弧轨道
的半径为0.8m,
点与圆心
在同一水平线上,圆弧轨道底端
点与圆心在同一竖直线上.
点离
点的竖直高度为0.2m.物块从轨道上的
点由静止释放,滑过
点后进入足够长的水平传送带,传送带由电动机驱动按图示方向运转,不计物块通过轨道与传送带交接处的动能损失,物块与传送带间的动摩擦因数为0.1,
取10m/s2.
(1)求物块从
点下滑到
点时速度的大小.
(2)若物块从
点下滑到传送带上后,又恰能返回到
点,求物块在传送带上第一次往返所用的时间.
参考答案:(1)
(2)9s
本题解析:由机械能守恒定律得
,
;
物块先在传送带上作匀减速直线运动,运动时间为
,
通过的位移为
;
物块再在传送带上作匀加速直线运动,其末速度由
得
,
则匀加速直线运动的时间为
,通过的位移为
,然后再作匀速运动,其位移为通过的位移为
,匀速运动的时间为
,所以物块在传送带上第一次往返所用的时间为
点评:难度中等,首先应选取研究过程,分析受力和运动,如果利用动能定理求解只需确定初末状态,不必对运动过程详细分析
本题难度:一般
5、简答题 在“验证机械能守恒定律”的实验中,采用重物自由下落的方法.若实验中?所用重物,质量m=1kg,打点计时器所用电源的频率为50Hz,查得当地的重力加速度g=9.80m/s2,量得纸带上打出的连续A、B、C到第一个点O点的距离如图所示,分别为3.13cm、4.94cm、7.01cm.那么
(1)打点计时器打下计数点B时,物体的速度=______m/s;
(2)从起点O到打下计数点B的过程中重力势能减少量是______?J,此过程中物体动能的增加量=______?J;
(3)通过计算,数值上重力势能的减少量______动能的增加量(填“>”、“=”或“<”),这是因为______(所有计算结果均保留两位有效数字).
参考答案:(1)利用匀变速直线运动的推论
vB=xAC2t=0.0701-0.03130.04=0.97m/s
(2)重物由B点运动到C点时,重物的重力势能的减少量△Ep=mgh=1.0×9.8×0.0494 J=0.48J.
EkB=12mvB2=0.47J
(3)由(2)可知,重力势能的减少量>动能的增加量,原因是纸带与打点计时器间有摩擦阻力,或存在空气阻力.
故答案为:0.97;?0.48;?0.47;>;纸带与打点计时器间有摩擦阻力,或存在空气阻力
本题解析:
本题难度:一般