时间:2019-06-29 04:51:14
1、选择题 把六个相同的小灯泡接成如图甲、乙所示的电路,调节变阻器使灯泡正常发光,甲、乙两电路所消耗的功率分别用P甲和P乙表示,则下列结论中正确的是( )
A.P甲=P乙
B.P甲=3P乙
C.P乙=3P甲
D.P乙>3P甲
参考答案:B
本题解析:设灯泡正常发光时的电流为I,对于甲图,电路的总的电流为3I,此时甲的总功率的大小为P甲=U?3I,对于乙图,电流的总电流的大小就为I,此时乙的总功率的大小为? P乙=U?I,所以P甲=3P乙,所以B正确,故选B.
点评:对于本题来说关键的是选择公式,由于电路的总电压的大小是相同的,所以用总电压与总电流的乘积来计算总功率的大小比较简单
本题难度:简单
2、选择题 两点组R1、R2的电流I和电压U的关系如图所示,可知两电阻R1:R2等于

[? ]

∶1 参考答案:D
本题解析:
本题难度:简单
3、选择题 电饭锅工作时有两种状态:一种是锅内水烧开前的加热状态,另一种是锅内水烧开后的保温状态,如图所示是电饭锅电路原理示意图, K是感温材料制造的开关,电压恒定。下列说法中正确的是
[? ]
A.其中R2是供加热用的电阻丝
B.当开关K接通时电饭锅为加热状态,K断开时为保温状态
C.要使R2在保温状态时的功率为加热状态的一半,R1/R2应为2:1
D.要使R2在保温状态时的功率为加热状态时一半,R1/R2应为(
-1):1
参考答案:ABD
本题解析:
本题难度:一般
4、填空题 两根同种材料的电阻丝,长度之比为1:5,横截面积之比为2:3,则它们的电阻值之比为______.将它们串联后接入电路中,则它们两端电压之比为______,电流之比为______;如果将它们并联后接入电路中,则它们两端电压之比为______,电流之比为______.
参考答案:由R=ρLS可知,电阻之比与长度成正比,与横截面积成反比,故电阻之比为:R1R2=L1S2L2S1=310;
串联电路中电流处处相等,故电流之比为1:1;
由欧姆定律U=IR可知,U1U2=R1R2=310;
并联接入电路中时,两电器两端的电压相等,即比值为1:1;
则由I=UR可知,电流之比I1I2=R2R1=103;
故答案为:3:10 3:10 1:1 1:1 10:3
本题解析:
本题难度:一般
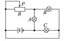
5、选择题 如图所示电路,电源电动势为E、内阻为r,接通电路后A、B、C三盏小灯都达到一定的亮度(但均未达到额定功率),当滑动变阻器的滑动头P向左滑动时,则( )
A.A灯变亮,B灯变暗
B.A灯和B灯都变暗
C.C灯和B灯都变亮
D.C灯变暗,A灯变亮
参考答案:C
本题解析:当滑动变阻器的滑动头P向左滑动时,滑动变阻器连入电路的电阻增大,根据”并同串反”:A与R等效串联,A变暗;B与R并联,B灯变亮;C与R等效并联,C变亮,C正确.
考点:本题考查闭合电路的动态分析.
本题难度:一般