时间:2019-06-28 05:10:25
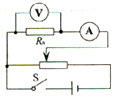
1、实验题 在“测定电池的电动势和内阻”的实验中,
(1)完成本实验中的实物图连接
(2)在上图的电路中,为避免烧坏电表,闭合开关前,滑动变阻器的滑动触头应置于_______端(填“A”或“B”).
(3)上图是根据实验数据作出的U-I图象,由图可知,电源的电动势E=___V,内阻r=____Ω。
参考答案:
(1)
(2)A?(3)1.5? 1
本题解析:
(1)实物连线如图;(2)为保护电阻,闭合开关前,应使滑动变阻器的阻值处于最大值,由图甲知,触头应处于A端;(3)由闭合电路欧姆定律E=U+Ir,得U=E-Ir,结合U-I图象可得图线与U轴的交点表电动势为1.5V,其斜率为内阻r为1Ω。
本题难度:一般
2、实验题 为了测定一个“6.3 V 1 W”的小灯泡的伏安特性曲线,实验室提供了下列实验器材:
A.电流表0.6 A,0.2 Ω
B.电流表200 mA,0.5 Ω
C.电压表10 V,1 kΩ
D.电压表15 V,1.5 kΩ
E.电源6 V,2 A? F.电源9 V,1 A
G.电源15 V,0.1 A?H.滑线变阻器100 Ω,0.5 W
I. 滑线变阻器20 Ω,2 W? J.导线若干,电键一个?
实验时要求测量误差尽可能小,应选用的上述器材是_____________(填写字母序号);滑线变阻器应采用_____________连接(填“限流”或“分压”);电流表应采用__________接法(填“内”或“外”).
参考答案:
BCFIJ (3分) 限流(2分) 内(2分)
本题解析:
略
本题难度:简单
3、选择题 关于多用电表结构以及欧姆档测电阻,下列说法中正确的是? (? )
A黑表笔与表内电源负极相连,红表笔与表内电源正极相连
B测电阻时,表针偏转角度越大,所测电阻越大
C.待测电阻若是连在电路中,应当把它先与其他元件断开后再测量
D.使用完毕应当拔出表笔,并把选择开关旋到OFF档或交流电压最高档
参考答案:CD
本题解析:多用电表是由表头通过串、并联相应电阻而改装的多用途表,通过闭合电路欧姆定律实现测量电阻的目的。因此根据欧姆表内部结构,红表笔与电源负极相连,黑表笔与电路中高电势相连,A错误。测量电阻的表达式为
,即
,当指针偏转较大,说明表头电流较大,即待测电阻太小,所以B错。如果待测电阻在电路中,则会有电流干扰表头电流,因此影响测量结果,所以C说法正确。在用完欧姆档时,由于内部电源关系,需要将开关断开即OFF档,若没有,则为了保护万用表,通常调节至交流电压做高档,D说法正确。
点评:此类题型考察了多用电表的改装以及使用方法,从某一个侧面说明物理学是一门有用的课程,通过一个表头,巧妙的利用串联或并联关系就能实现改装大量程电流或电压表,并能够实现测量电阻的目的。
本题难度:简单
4、实验题 (10分)在“测定金属丝的电阻率”实验中。
⑴金属丝的直径用螺旋测微器测得,从图中读出该金属丝的直径d=?mm;
⑵为了测量其电阻Rx的阻值,实验室提供如下实验器材:
A.待测电阻Rx(约100Ω)
B.电动势E=6V,内阻很小的直流电源
C.量程50mA,内阻约为50Ω的电流表
D.量程0.6A,内阻约为0.2Ω的电流表
E.量程6V,内阻约为15kΩ的电压表 ?
F.最大阻值15Ω,最大允许电流1A的滑线变阻器
G.最大阻值15kΩ,最大允许电流0.5A的滑线变阻器?
H.开关一个,导线若干
①为了操作方便,且能比较精确地测量金属丝的电阻值,电流表选用?、滑线变阻器选用?(填写选用器材前的序号即可);
②请根据所选用的实验器材,尽可能减小实验误差,设计测量电阻的电路,并在方框中画出电路图;
⑶若另有一只待测电阻,无论用电流表内接还是外接,测量误差较为接近,有一位同学为了消除因电表内阻所带来的系统误差,他用两只相同的电压表,设计了如图所示的测量电路,实验操作步骤如下:
①按电路图连接好实验器材;
②闭合电键S1,电键S2处于断开状态,读出此时电压表
的示数U、电流表示数I;
③再闭合S2,调节变阻器R,使电流表的电流仍为步骤②的电流I,此时读出电压表
的示数U1与电压表
的示数U2;
用上述测得的物理量表示,待测电阻的计算式为Rx=?。
参考答案:⑴1.360;⑵①C,F;②图略,见解析;⑶
本题解析:⑴由图示可知,螺旋测微器的读数,即该金属丝的直径为d=1.360mm
⑵①由所提供的电源电动势E=6V和待测电阻Rx(约100Ω)可知,流经待测电阻的最大电流为0.06A=60mA,显然为C表量程50mA的1.2倍,D表量程0.6A的0.1倍,因此为了读数方便和准确应选电流表C表,且可以通过滑线变阻器控制使其电流不超过量程,为了能比较精确地测定待测电阻的阻值,应尽可能多地测量数据,且数据变化范围也应较大,因此滑线变阻器应采用分压式接法,因此选用最大最大阻值较小为15Ω的滑线变阻器F;
②由于待测电阻阻值相对较小,因此应采用电流表的外接法,应从其电路原理图如下图所示。
⑶有题意可知测量另一只待测电阻时,无论用电流表内接还是外接,测量误差较为接近,说明该电阻阻值大小居中,因为电流表或电压表内阻引起的误差相当,由实验步骤可知,当闭合S2,调节变阻器R,使电流表的电流仍为I时,电压表
的示数为U1,电压表
的示数为U2,说明电流表的电流为I时,电流表分得的电压为UA=U1-U2,因此在步骤②中,待测电阻两端的电压为Ux=U-UA=U+U2-U1,解得:Rx=
=
本题难度:一般
5、实验题 现要测定一个额定电压4V、额定功率1.6W的小灯泡(图中用×表示)的伏安特性曲线。要求所测电压范
围为0.1V~4V。现有器材:直流电源E(电动势4.5V,内阻不计);电压表V1(量程4.5V,内阻约为4×104Ω); 电压表V2(量程6V,内阻约为5.2×104Ω);电流表A1(量程250mA,内阻约为2Ω);电流表A2(量程500mA,内阻约为1Ω);滑动变阻器R(最大阻值约为30Ω);电键S;导线若干。
(1)如果既要满足测量要求,又要测量误差较小,应该选用的电流表是?,电压表是?。
(2)下面四个电路应该选用的是?图。
?
(3) 在实验中,同组同学已经完成部分导线的连接,请你在实物接线图中完成余下导线的连接。
?
参考答案:(1)
?
?;(2)甲;(3)见解析
本题解析:(1)电流表和电压表读数超过量程的
时误差较小,根据
可知,小灯泡的最大电流为0.4A,应该选用的电流表是
,小灯泡额定电压4V,应该选用的电压表是
;
(2)根据
可知,小灯泡的电阻为
,待测电阻阻值较小,所以电流表应该外接,电路应该选用的是甲图;
(3)电路连接如图
点评:中等难度。器材的选择原则,安全、误差较小;测量电路选择原则“大内偏大,小外偏小”; 连接实物电路图时,要注意以下几点:
①先画出电路图,这是连接实物图的依据②先连接干路,再连接支路.
③注意电源的正负极,电表的正负接线柱,电表量程的选择以及滑动变阻器接线柱的合理选用.
④注意连线不能交叉,开关要能够控制整个电路.
本题难度:一般