时间:2019-06-28 04:50:10
1、选择题 单位电荷量的正电荷沿闭合电路移动一周,在内外电路中释放的总能量决定于(?)
A.电源的电动势
B.通过电源的电流
C.路端电压的大小
D.内、外电阻之和
2、填空题 如图所示为一种加速度仪的示意图。质量为m的振子两端连有劲度系数均为k的轻弹簧,电源的电动势为E,不计内阻,滑动变阻器的总阻值为R,长度为L,系统静止时滑动触头位于滑动变阻器正中,这时电压表指针恰好在刻度盘正中。则:⑴系统的加速度a(以向右为正)和电压表读数U的函数关系式_ _,将电压表刻度改为加速度刻度后,其刻度是?(填“均匀的”或者“不均匀的”)
3、选择题 如图所示,先后以速度v1和v2匀速把一矩形线圈拉出有界的匀强磁场区域,v2=2v1,在先后两种情况下( )
A.线圈中的感应电流之比I1:I2=2:l
B.作用在线圈上的外力大小之比F1:F2=1:2
C.线圈中产生的焦耳热之比Q1:Q2=1:4
D.通过线圈某截面的电荷量之比q1:q2=1:2
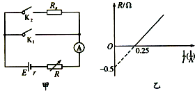
4、选择题 如图甲所示.R为电阻箱(0-99.9Ω).置于阻值最大位置,Rx为未知电阻.(1)断开K2,闭合K1,逐次减小电阻箱的阻值,得到一组R,I的值,并依据R,I值作出了如图乙所示的R-
| 1 I |

5、选择题 生产、生活中使用的许多设备都可看作能量转换器,它们把能量从一种形式转化为另一种形式.下列设备在工作过程中把电能主要转化为动能的是( )
A.电风扇
B.发电机
C.电磁炉
D.电饭煲