时间:2019-06-28 04:27:50
1、计算题 发电机输出功率为100kW,输出电压为250V,用户需要220V的电压,输电线电阻为
,若输电线损失的功率为输送功率的4%,试求:
(1)输电线上的升压变压器和降压变压器原、副线圈的匝数比;
(2)用户得到的电功率是多少?
2、填空题 某小型水电站输出功率是20KW,输电线路总电阻是6Ω。若采用5000V高压输电,输电线上的电流强度为 _________________ A,输电线路损耗功率为___________________W。
3、选择题 如图是远距离输电过程的示意图,B1、B2都是理想变压器,输电线的等效总电阻为R,若发电机的输出功率保持不变,则下列说法中正确的是( ? )
A.输电线上损失的功率为P损=U22/R
B.输电线上损失的功率与U2的平方成反比
C.B1变压器的输出功率P2等于B2变压器的输入功率P3
D.由图可知关系式:在输电线上损失的电压U损=I2R
4、计算题 如图所示,某水电站发电机的输出功率为100kW,发电机的电压为250V,通过升压变压器升高电压后向远处输电,输电线总电阻为8Ω,在用户端用降压变压器把电压降为220V。若输电线上损失的功率为5kW,不计变压器的损耗。求:
⑴输电导线上输送的电流;
⑵升压变压器的输出电压U2;
⑶降压变压器的匝数比;
⑷若改用10kV电压输电,则输
电线上损失的功率是多大?
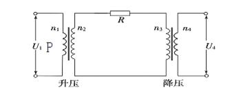
5、选择题 图为远距离输电的电路原理图,下列判断正确的是
A.U1>U2
B.U2=U3
C.I4 < I2
D.I1 > I2