时间:2019-06-26 05:20:05
1、选择题 如图所示,MN、PQ是间距为L的平行光滑金属导轨,置于磁感强度为B,方向垂直导轨所在平面向里的匀强磁场中,M、P间接有一阻值为R的电阻.一根与导轨接触良好、有效阻值为
| R 2 | 

2、实验题  (1)某同学用打点计时器测量做匀速直线运动的物体的加速度,电源频率f="50" Hz,在纸带上打出的点中,选出零点,每隔4个点取1个技术点,因保存不当,纸带被污染,如题22图1所示,A、B、C、D是本次排练的4个计数点,仅能读出其中3个计数点到零点的距离:SA-16.6mm SB=126.5mm、SD="624.5" mm


若无法再做实验,可由以上信息推知:
①相邻两计数点的时间间隔为??s;
②打 C点时物体的速度大小为??m/s(取2位有效数字)
③物体的加速度大小为?(用SA、SB、SD和f表示)
(2)在探究小灯泡的的伏安法测电阻实验中,所用器材有灯泡I,量程恰当的电流表A和电压表V,直流电源的滑动变阻器R、电键S等,要求灯泡两端电压表V 开始变化
1实验中滑动变阻器应采用______ 接法(“分压”或“限流”)
(2)某同学已连接如题22图2所示的电路,在连接最后一根导线的c端到直流电源正析之前,请指出其中仅有的2个不当之处,并说明如何改正
A:_______________
B:_________________
③分别测得两只灯泡l1和l2的伏安特性曲线如题22图3中Ⅰ和Ⅱ所示,然后将灯泡l1、l2
?
与电池组(电动势和内阻均衡定)连成题22图4所示电路。多次测量后得到通过l1和l2的电流平均值分别为0.30A和0.60A.
A.在题22图3中画出电池组路端电压U和电流I的关系曲线。
B.由该曲线可知电池组的电动势为_________V,内阻为___________Ω(取两位有效数字)
3、填空题  将一只最大量程为3V的电压表、一只最大量程为1mA的电流表、一只最大阻值为20Ω的滑线变阻器、一只开关和4.5V的电池按图连接测量电压表的内阻(估计为103Ω的数量级),闭合开关,能否测出?简说理由.如若不能,请设计出最简单的方案,写出所需器材与做法.
4、选择题  如图是火警报警装置的一部分电路示意图,其中R2是半导体
热敏传感器,它的阻值随温度升高而减小,当R2处发生火情时
A.电流表示数将变小
B.电流表示数将变大
C.a、b两点间电压变大
D.a、b两点间电压变小
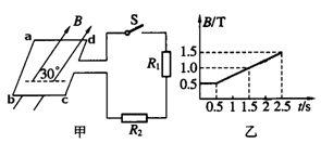
5、填空题  (18分)(1)如图所示,在匀强磁场中,与磁感应强度B成30°角放置一矩形线圈,共100匝,线圈长lab=10cm、宽lbc=8cm,线圈电阻r=1.0Ω,与它相连的电路中,电阻R1=4.0Ω,R2=5.0Ω,磁感应强度变化如图乙所示,开关闭合后t=1.5s时R2中电流的大小为_______A,此时左侧边ab所受的安培力大小_______N。
(2)一个质量为 =0.001kg、带电量为
=0.001kg、带电量为 =
= C的带正电小球和一个质量也为
C的带正电小球和一个质量也为 不带电的小球相距
不带电的小球相距 =0.2m,放在绝缘光滑水平面上,当加上如图的
=0.2m,放在绝缘光滑水平面上,当加上如图的 =
= N/C的水平向左的匀强电场和
N/C的水平向左的匀强电场和 =0.5T的水平向外的匀强磁场后,带电小球开始运动,与不带电小球相碰后粘在一起,则两球碰后的速度为________m/s,两球碰后到两球离开水平面,还要前进_________m。
=0.5T的水平向外的匀强磁场后,带电小球开始运动,与不带电小球相碰后粘在一起,则两球碰后的速度为________m/s,两球碰后到两球离开水平面,还要前进_________m。
(3)在“用单摆测定重力加速度”的实验中,测得单摆摆角小于10°时,完成n次全振动时间为t,用毫米刻度尺测得摆线长为 ,用螺旋测微器测得摆球直径为d.
,用螺旋测微器测得摆球直径为d.
①测得重力加速度的表达式为g=_________.
②实验时某同学测得的g值偏大,其原因可能是_________.
A.实验室的海拔太高
B.摆球太重
C.测出n次全振动时间为t,误作为(n+1)次全振动时间进行计算
D.用摆线长与摆球直径之和作为摆长来计算
③用的摆球密度不均匀,无法确定重心位置.他第一次量得悬线长为 (不计半径),测得周期为T1;第二次量得悬线长为
 (不计半径),测得周期为T1;第二次量得悬线长为 ,测得周期为T2.根据上述数据,g表达式为___________
,测得周期为T2.根据上述数据,g表达式为___________