时间:2019-06-26 05:18:42
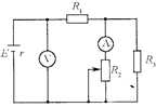
1、选择题 电动势为E、内阻为r的电源与定值电阻R1、R3及滑动变阻器R2连接成如图所示的电路,当滑动变阻器R2的触头向下移动的过程中,电压表V示数U和电流表A示数I的变化情况为:?
?
U变大、I变大? B.? U变大、I变小
C.? U变小、I变大? D .? U变小、I变小
参考答案:B
本题解析:考点:
专题:恒定电流专题.
分析:首先对电路进行分析,得出电路结构,再根据滑片的移动确定滑动变阻器接入电阻的变化,则可得出总电阻的变化;由闭合电路欧姆定律可得出电流的变化及内电压的变化,则可得出路端电压的变化;再由串并联电路的性质确定电流表示数的变化.
解答:解:由电路图可知,R2与R3并联后与R1串联,
当滑片下移时,滑动变阻器接入电阻增大,则总电阻增大;由闭合电路欧姆定律可得,总电流减小;则内电压减小,路端电压增大;故电压表示数增大;
因总电流减小,故R1上的分压减小,而路端电压增大,故并联部分电压增大,故通过R3的电流增大,则通过变阻器的电流减小,即电流表的示数减小;
故B正确,ACD错误.
故选B.
点评:对于复杂电路,对电路分析是关键,必要时要画出简化电路图;
而对于闭合电路欧姆定律的应用,一般按外电路、内电路、外电路的分析思路进行分析,灵活应用串并联电路的性质即可求解.
本题难度:一般
2、简答题 如图所示的电路中,电阻R1=4Ω,R2=6Ω,电源内电阻r=0.6Ω.若电源消耗的总功率为40W,电源的输出功率为37.6W,求电源电动势和电阻R3的阻值.
参考答案:电源内阻消耗的功率为I2r=P总-P出得:I=2A
由P总=EI得:E=20V
外电路总电阻为R=R1R2R1+R2+R3
由闭合电路欧姆定律E=I(R+r)
得:R3=7Ω
答:电源的电动势为20V,R3=7Ω.
本题解析:
本题难度:一般
3、选择题 在如图所示的电路中,闭合电键S,将滑动变阻器滑片P向左移动一段距离后,下列结论正确的是
[? ]
A.电流表读数变小
B.灯泡L变亮
C.电容器C上电荷量减小
D.电压表读数变小
参考答案:A
本题解析:
本题难度:一般
4、选择题 将一个6V、6W的小灯甲连接在内阻不能忽略的电源上,小灯恰好正常发光,现改将一个6V、3W的小灯乙连接到同电源上,则?( )
A.小灯乙可能正常发光
B.小灯乙可能因电压过高而烧毁
C.小灯乙可能因电压较低而不能正常发光
D.小灯乙一定正常发光
参考答案:由题,甲灯接在电源上正常发光,甲灯的电压为6V.根据公式R=U2P可知,乙灯的电阻比甲灯电阻大,当乙灯接到同一电源上时,分得的电压将大于6V,所以灯乙可能因电压过高而烧毁,不能正常发光.
故选B
本题解析:
本题难度:一般
5、选择题 如图所示,当滑动变阻器滑动触头向 左移动时,灯泡A、B、C的亮度将:
A.都变亮 B.都变暗 C.A、B变亮,C变暗 D.A、C变亮,B变暗
参考答案:C
本题解析:当滑动变阻器的滑动触头向左移动时,变阻器接入电路的电阻减小,外电路总电阻减小,根据全电路欧姆定律得知,干路中电流I增大,则A灯变亮.电路中并联部分电压 U并=E-I(RA+r),I增大,其他量不变,则U并减小,C灯变暗.通过B灯的电流 IB=I-IC,I增大,IC减小,则IB增大,B灯变亮.所以A、B灯变亮,C灯变暗.故C正确。
考点:电路的动态分析.
本题难度:一般