时间:2019-06-26 04:47:26
1、实验题 (1)用分度为0.05 mm的游标卡尺测量某物体的厚度时,示数如图5所示,此示数为? m.
(2)下列有关高中物理实验的描述中,正确的是:?。
A.在用打点计时器“研究匀变速直线运动”的实验中,通过在纸带上打下的一系列点迹可求出纸带上任意两个点迹之间的平均速度
B.在“验证力的平行四边形定则”的实验中,拉橡皮筋的细绳要稍长,并且实验时要使弹簧测力计与木板平面平行,同时保证弹簧的轴线与细绳在同一直线上
C.在“用单摆测定重力加速度”的实验中,如果摆长的测量及秒表的读数均无误,而测得的g值明显偏小,其原因可能是将全振动的次数
误计为n+1
D.在“验证动量守恒定律"的实验中,必须要用天平测出碰撞小球的质量
Ⅱ.(10分)在研究性学习中,某同学设计了一个测量导电纸的导电膜厚度的实验,该同学从资料上查得导电纸导电膜导电材料的电阻率为
,并利用下列器材完成了这个实验:
A.电源E(电动势为1 2V,内阻不计)
B.木板N(板上放有导电纸一张,导电膜向上),两个金属条a、b(平行放置在导电纸上,与导电纸接触良好,用作电
极,其电极长度与导电纸宽度相同)
C.滑线变阻器R(其总阻值小于两平行电极间导电纸的电阻)
D.毫米刻度尺.
E.电压表V(量程为6V,内阻约3 kΩ)
F.电流表A(量程为0.6A,内阻忽略不计)
G.开关K,导线若干
该同学将实物连线成如图6所示,
(1)请在图7虚线框中画出该实验实物连线相对应的实验原理图。(导电纸用符号“
”表示
(2)实验中应测定的物理量是:?。
(3)计算导电膜厚度h的公式是:?。(用
和测得物理量的符号表示)
2、选择题 某同学先用多用电表“×10”档对未知电阻进行测量,按照正确的步骤操作后,发现指针偏转角度过小,为了使多用电表测量的结果更准确,该同学接着测量前应该完成下列步骤中的( )
A.换“×1”档再机械调零
B.换“×1”档再欧姆调零
C.换“×100”档再机械调零
D.换“×100”档再欧姆调零
3、简答题 (1)如图所示的电路中,1至11为连接点的标号.在开关闭合后,发现小灯泡不亮,电压表和电流表均无示数.现用多用电表检查电路故障,需要检测的有:电源、开关、变阻器、小灯泡、6根导线以及电路中的各连接点.已知电压表和电流表均无故障.
①为了检测变阻器、小灯泡以及6根导线,在连接点1、2已接好的情况下,应当选用多用
电表的______档;在连接点1、2同时断开的情况下,应当选用多用电表的______档.
②为了尽可能准确的完成探究小灯泡I-U特性的实验,图电路接线图中还存在错漏,
请你在图中补画出正确的连接线.
③如图是某实验小组的同学根椐实验数据绘制而成的小灯泡的U-I特性图线.随后他们将该小灯泡直接串接在电动势E=4.5V,内阻r=1.5Ω的直流电源上,则该小灯泡通电发光时的电功率约为______W.
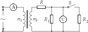
(2).如图所示,某理想变压器的原线圈接一交流电e=220
| 2 |

4、选择题 如图所示,从S?处发出的热电子(初速为零)经加速电压U加速后垂直进入相互垂直的匀强电场和匀强磁场中,发现电子向上极板偏转.设两极板间电场强度为E,磁感强度为B.为使电子沿直线从该混合场区域通过,可采取以下哪个措施( ? )
A.适当减小电场强度E
B.适当增大磁感强度B
C.适当增大加速电场的宽度
D.适当增大加速电压U
5、计算题 如图所示为两组平行板金属板,一组竖直放置,一组水平放置,今有一质量为m的电量为e的电子静止在竖直放置的平行金属板的A点,经电压U0加速后通过B点进入两板间距为d、电压为U的水平放置的平行金属板间,若电子从两块水平平行板的正中间射入,且最后电子刚好能从右侧的两块平行金属板穿出,A、B分别为两块竖直板的中点,求:
(1)电子通过B点时的速度大小;
(2)右侧平行金属板的长度;
(3)电子穿出右侧平行金属板时的动能和速度方向。 